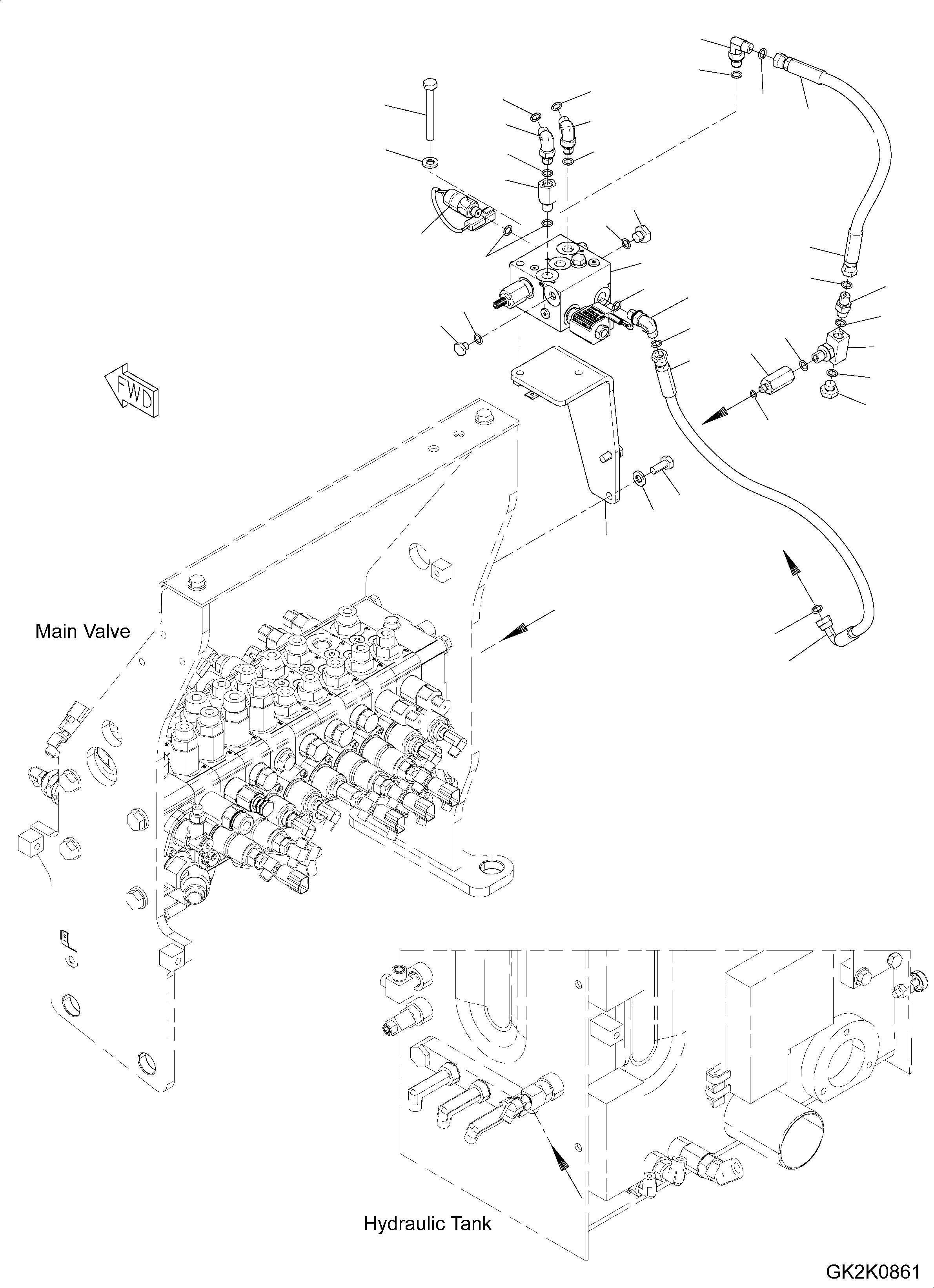
Запчасти Komatsu PW160-8 БЫСТРОСЪЕМН. МЕХ-М, С СТРЕЛА, БЫСТРОСЪЕМН. МЕХ-М ТРУБЫ БЫСТРОСЪЕМН. МЕХ-М, С СТРЕЛА

Схема запчастей Komatsu PW160-8 - БЫСТРОСЪЕМН. МЕХ-М, С СТРЕЛА, БЫСТРОСЪЕМН. МЕХ-М ТРУБЫ БЫСТРОСЪЕМН. МЕХ-М, С СТРЕЛА
14
b
b
11
a
9
9
a
2
9
14
14
4
3
11
11
6
13
11
4
16
17
11
11
7
11
10
8
12
11
11
9
19
18
5
11
13
10
1
3
15
9
5
FIT
1:1
100%

Артикул

Название

Примечание

Количество

1

01010-81025

Bolt

2

01010-81090

Bolt

3

01643-31032

Washer

4

02777-002A5

Hose

5

02778-00208

Hose

6

203-62-58880

Adaptor

7

02781-0021D

Union

8

02782-10210

Elbow

9

02896-11008

O-Ring

10

07002-11023

O-Ring

11

07002-11423

O-Ring

12

07040-11007

Plug

13

07040-11409

Plug

14

20Y-62-K5931

Elbow

15

20G-62-41792

Bracket

16

20J-06-11580

Switch

17

20Y-62-K9070

Valve

18

20Y-62-43640

Tee

19

20J-62-13282

Adaptor

Выбрано товаров: 19