Запчасти Komatsu PW160-8 КАБИНА И ОСНОВН. КОНСТРУКЦИЯ ГРУППА, ПОЛ, ПРОВОДКА (заводской номер H - ) КАБИНА И ОСНОВН. КОНСТРУКЦИЯ ГРУППА

Схема запчастей Komatsu PW160-8 - КАБИНА И ОСНОВН. КОНСТРУКЦИЯ ГРУППА, ПОЛ, ПРОВОДКА (заводской номер H - ) КАБИНА И ОСНОВН. КОНСТРУКЦИЯ ГРУППА
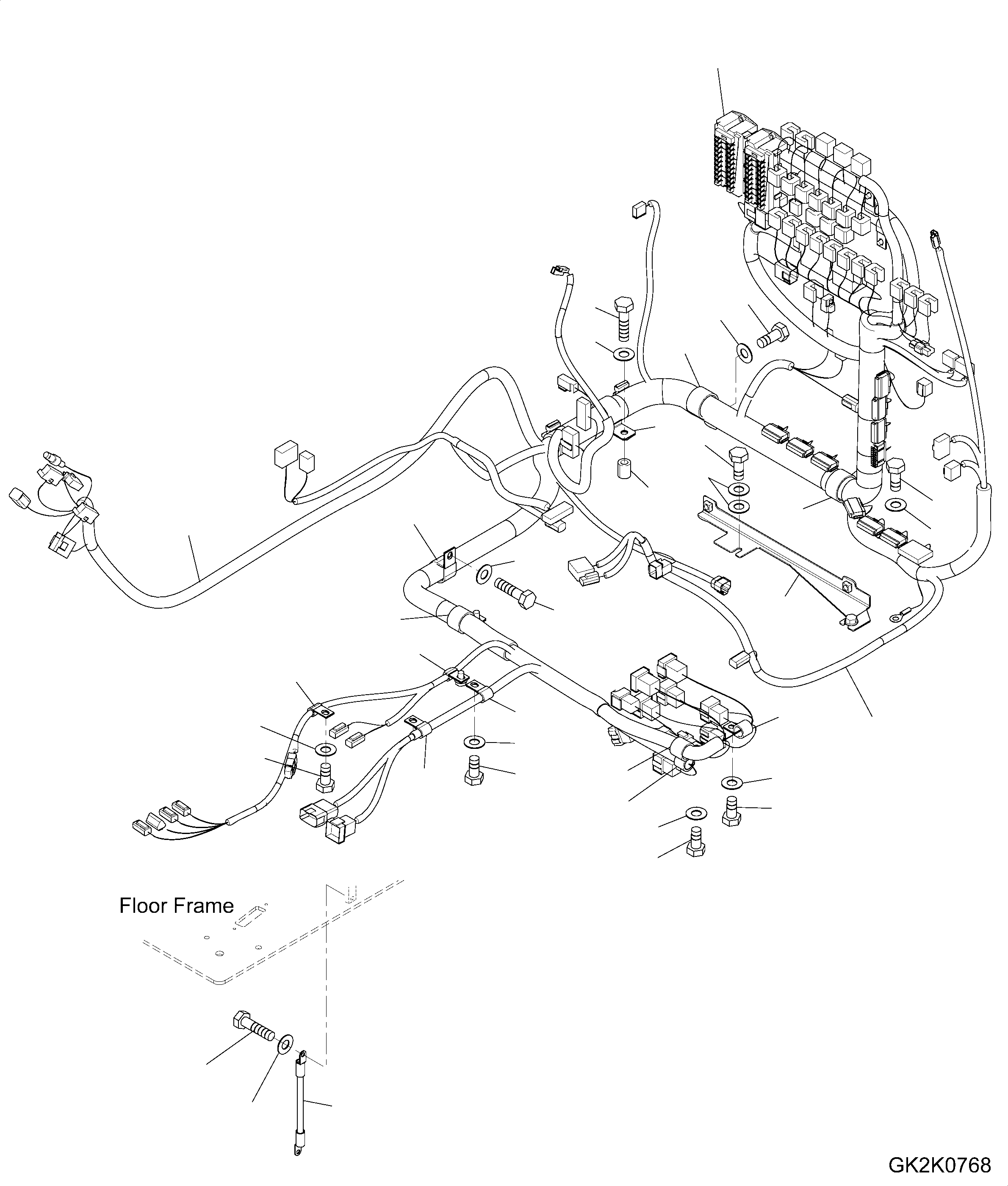
30
6
7
8
5
9
5
3
4
20
10
29
11
1
21
13
12
2
11
14
14
17
26
16
1
19
15
22
18
28
17
23
27
25
24
32
31
33
FIT
1:1
100%

Артикул

Название

Примечание

Количество

1

20G-06-41213

Wiring Harness

|$2

08041-00500

Fuse, 5A

|$3

08041-01000

Fuse, 10A

|$4

08041-01500

Fuse, 15A

|$5

08041-02000

Fuse, 20A

|$6

08041-02500

Fuse, 25A

|$7

08041-03000

Fuse, 30A

2

20Y-53-14121

Bracket

3

01010-81016

Bolt

4

01643-31032

Washer

5

23S-62-25850

Clip

6

01010-81020

Bolt

7

01643-31032

Washer

8

01010-81040

Bolt

9

01643-31032

Washer

10

120-54-42430

Spacer

11

04434-53411

Clip

12

01010-81020

Bolt

13

01643-31032

Washer

14

04434-51010

Clip

15

01010-81016

Bolt

16

01643-31032

Washer

17

04434-51410

Clip

18

01010-81016

Bolt

19

01643-31032

Washer

20

01010-81020

Bolt

21

01643-31032

Washer

22

04434-52711

Clip

23

04434-52110

Clip

24

01010-81025

Bolt

25

01643-31032

Washer

26

04434-51910

Clip

27

01010-81020

Bolt

28

01643-31032

Washer

29

419-09-11150

Clip

30

20K-06-32230

Connector, Fuse Box

|$37

283-06-16160

Pin

31

08028-43030

Cable, Earth

32

01010-81020

Bolt

33

01643-31032

Washer

Выбрано товаров: 0