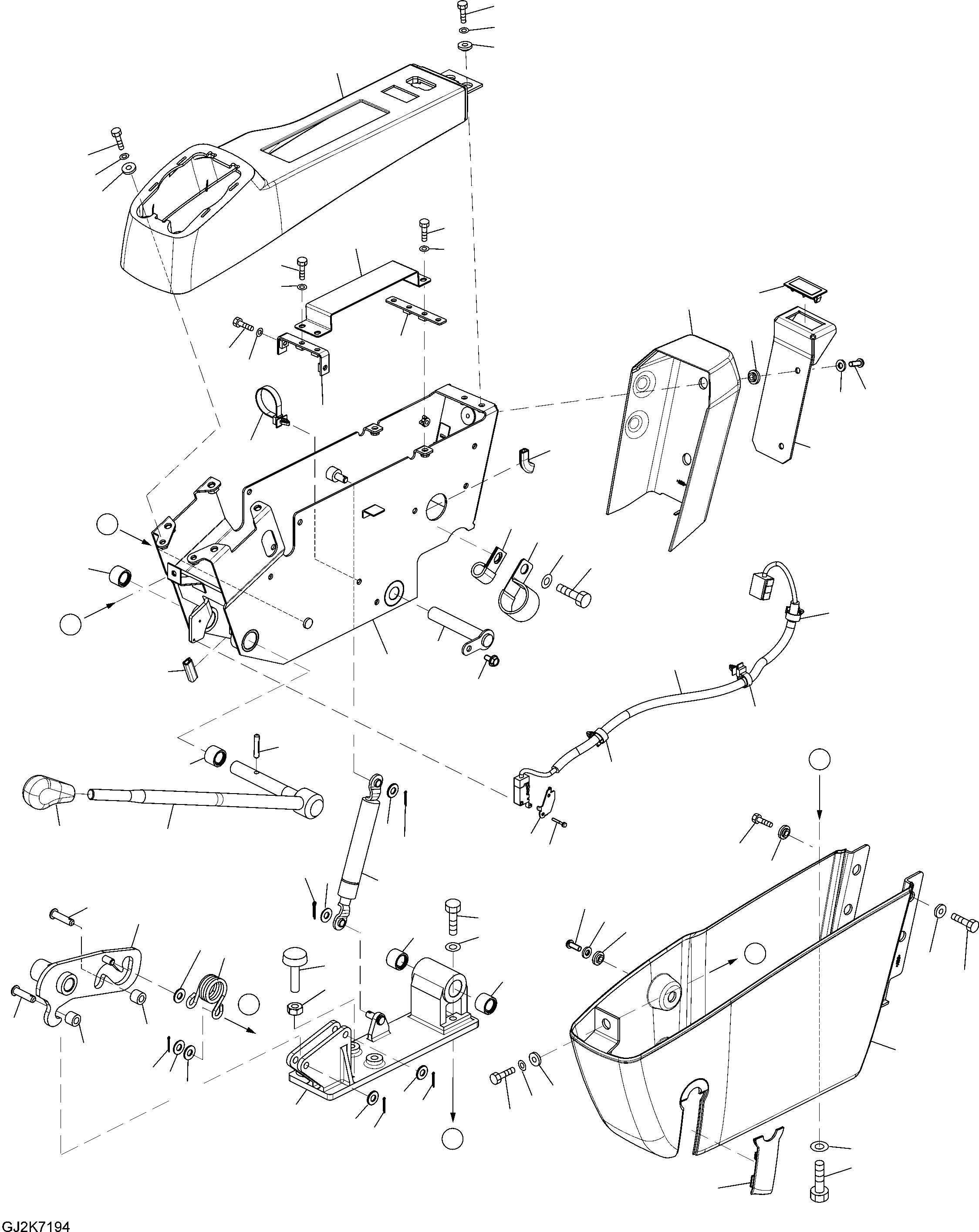
Запчасти Komatsu PW160-8 КАБИНА И ОСНОВН. КОНСТРУКЦИЯ ГРУППА, ПОЛ, КОНСОЛЬ, LHS КАБИНА И ОСНОВН. КОНСТРУКЦИЯ ГРУППА

Схема запчастей Komatsu PW160-8 - КАБИНА И ОСНОВН. КОНСТРУКЦИЯ ГРУППА, ПОЛ, КОНСОЛЬ, LHS КАБИНА И ОСНОВН. КОНСТРУКЦИЯ ГРУППА
26
a
a
27
b
28
b
c
25
c
42
26
27
28
44
39
43
43
44
37
33
28
41
43
44
30
31
40
38
36
35
23
3
24
4
20
6
17
1
36
7
20
47
4
20
10
46
45
18
9
32
19
16
10
28
15
30
13
31
12
2
28
4
3
11
8
28
21
4
32
22
13
14
29
14
9
10
11
28
10
27
11
5
26
10
11
3
2
34
FIT
1:1
100%

Артикул

Название

Примечание

Количество

1

22B-43-23112

Frame

2

01010-D1030

Bolt

3

01643-31032

Washer

4

06124-01616

Bearing

5

22B-43-23721

Bracket

6

22B-43-23161

Shaft

7

01435-00612

Bolt

8

22B-43-23471

Spring

9

04050-12015

Pin

10

01640-20816

Washer

11

426-925-3981

Washer

12

22B-43-23141

Guide

13

04205-30832

Pin

14

21U-43-32430

Collar

15

21U-43-32380

Gas Spring

16

04050-13015

Pin

17

22B-06-21420

Switch

18

22U-06-22490

Plate

19

01023-60320

Screw

20

08059-00310

Clip

21

20Y-54-11611

Stopper

22

01580-11008

Nut

23

04434-51410

Clip

24

01010-81025

Bolt

25

22B-43-28110

Cover

26

01010-80616

Bolt

27

01643-30623

Washer

28

20Y-43-41290

Collar

29

22B-43-23221

Cover

30

01245-00616

Screw

31

01643-70623

Washer

32

01435-00616

Bolt

33

22B-43-23231

Cover

34

22B-43-23271

Cover

35

08059-00515

Clip

36

22B-43-23280

Seal

37

20E-06-K1610

Cover

38

20Y-06-42190

Cover

39

20Y-43-41730

Plate

40

22B-43-23171

Bracket

41

22B-43-23181

Bracket

42

208-06-19170

Clip

43

01010-80616

Bolt

44

01643-30623

Washer

45

20G-43-41240

Lever

46

22U-43-22490

Knob

47

20T-43-71280

Pin

Выбрано товаров: 47