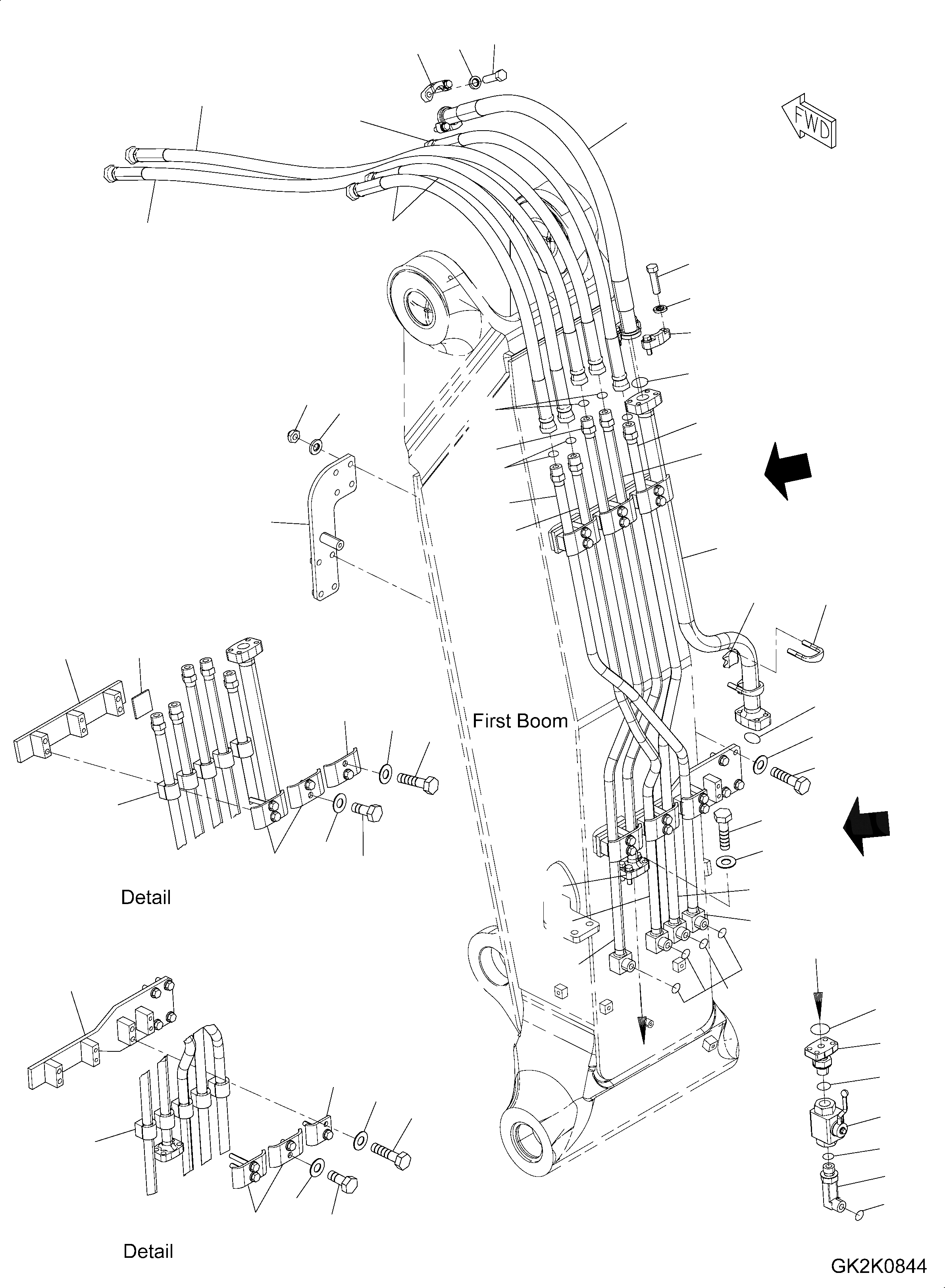
Запчасти Komatsu PW160-8 TWO-ЧАСТИ СТРЕЛА, -НАВЕСН. ОБОРУД, 1-Я СТРЕЛА, ГИДРОЛИНИЯ TWO-ЧАСТИ СТРЕЛА, -НАВЕСН. ОБОРУД

Схема запчастей Komatsu PW160-8 - TWO-ЧАСТИ СТРЕЛА, -НАВЕСН. ОБОРУД, 1-Я СТРЕЛА, ГИДРОЛИНИЯ TWO-ЧАСТИ СТРЕЛА, -НАВЕСН. ОБОРУД
21
a
22
a
20
A
17
B
B
A
18
19
18
17
21
22
20
16
36
35
5
4
1
2
5
14
33
3
15
38
37
31
32
16
25
27
26
35
34
24
9
10
29
25
28
2
4
14
3
1
23
5
7
6
30
8
27
26
11
24
13
12
5
29
25
28
FIT
1:1
100%

Артикул

Название

Примечание

Количество

1

20G-62-41510

Tube

2

20G-62-41520

Tube

3

20G-62-41530

Tube

4

20G-62-41540

Tube

5

02896-61015

O-Ring

6

21K-62-34310

Flange

7

07000-13030

O-Ring

8

07002-62434

O-Ring

9

07372-31035

Bolt

10

01643-51032

Washer

11

20G-60-K1740

Valve

12

02782-10524

Elbow

13

07002-62434

O-Ring

14

20G-62-41570

Tube

15

20G-62-45110

Tube

16

07000-13032

O-Ring

17

02777-00518

Hose

18

02777-00509

Hose

19

07099-01009

Hose

20

07371-31049

Flange, Split

21

07372-21035

Bolt

22

01643-51032

Washer

23

20G-70-34480

Bracket

24

203-62-58810

Cushion

25

20G-70-34210

Plate

26

01010-81070

Bolt

27

01643-31032

Washer

28

01010-81025

Bolt

29

01643-31032

Washer

30

203-973-5660

Clamp

31

20G-70-34260

Bracket

32

20G-70-K2330

Cushion

33

20G-70-34461

Bracket

34

01016-51035

Bolt

35

01643-31032

Washer

36

01597-01009

Nut

37

07283-33450

Clip, Pipe

38

07283-53444

Seat, Pipe

Выбрано товаров: 38