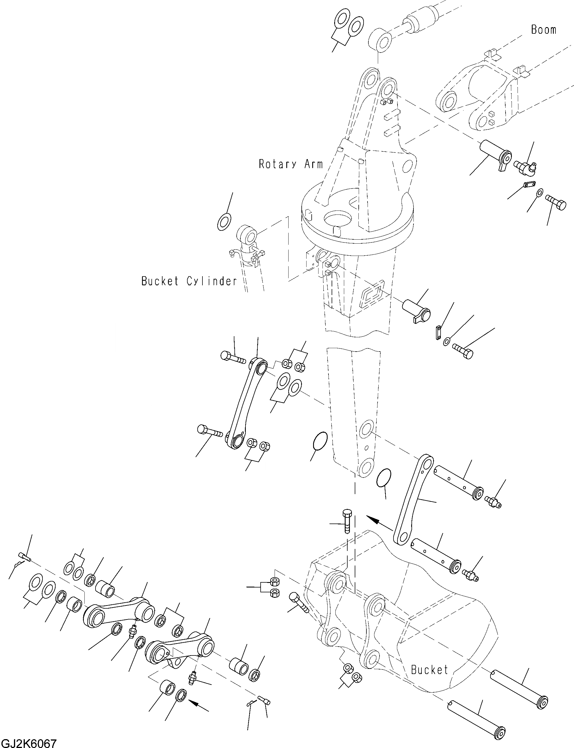
Запчасти Komatsu PW160-8 ВРАЩАЮЩ. РУКОЯТЬ, СОЕДИНЕНИЕ КОВШАS И ПАЛЕЦS ВРАЩАЮЩ. РУКОЯТЬ

Схема запчастей Komatsu PW160-8 - ВРАЩАЮЩ. РУКОЯТЬ, СОЕДИНЕНИЕ КОВШАS И ПАЛЕЦS ВРАЩАЮЩ. РУКОЯТЬ
35
34
30
37
31
33
32
36
38
40
39
13
9
14
12
10
18
25
11
19
8
25
26
15
28
21
16
5
4
2
27
29
6
1
22
17
5
4
3
5
5
24
7
5
7
23
20
3
28
5
29
a
a
FIT
1:1
100%

Артикул

Название

Примечание

Количество

1

20E-70-35110

Link, LHS

2

20E-70-K2580

Link, RHS

3

203-70-56140

Bushing

4

203-70-56160

Bushing

5

07145-00065

Seal, Dust

6

07145-00060

Seal, Dust

7

07020-00000

Fitting, Grease

8

203-70-K1131

Link, LHS

9

203-70-K1142

Link, RHS

10

203-70-K1150

Pin

11

07020-00000

Fitting, Grease

12

203-70-24150

Spacer 1.0mm

12

203-70-24160

Spacer 2.0mm

13

01011-81620

Bolt

14

01580-11613

Nut

15

203-70-K1160

Pin

16

07020-00000

Fitting, Grease

17

202-70-48460

Spacer 1.0mm

17

203-70-44430

Spacer 2.0mm

18

01011-81620

Bolt

19

01580-11613

Nut

20

203-70-44380

Pin

21

203-70-24150

Spacer 1.0mm

21

203-70-24160

Spacer 2.0mm

22

01011-81640

Bolt

23

01580-11613

Nut

24

203-70-44380

Pin

25

203-70-44470

O-Ring

26

01011-81670

Bolt

27

01580-11613

Nut

28

20E-70-K1260

Pin

29

20E-70-K1290

Pin

30

203-70-42121

Pin

31

205-70-66580

Plate

32

01010-81230

Bolt

33

01643-31232

Washer

34

07020-00675

Fitting

35

203-70-24170

Spacer 1.0mm

35

203-70-41430

Spacer 2.0mm

36

203-70-42131

Pin

37

202-70-48460

Spacer 1.0mm

38

205-70-66580

Plate

39

01010-81230

Bolt

40

01643-31232

Washer

Выбрано товаров: 44