Качественные детали и логистика
Оригинальные и аналоговые запчасти с доставкой по России, Казахстану и Беларуси
©2022 PartSell ООО "Система" ИНН 2463123282 ОГРН 1212400004838
Центральный офис: г. Красноярск, Академика Киренского, д.87, пом.4
Телефон: 8 (800) 777-65-74 Email: zakaz@partsell.ru
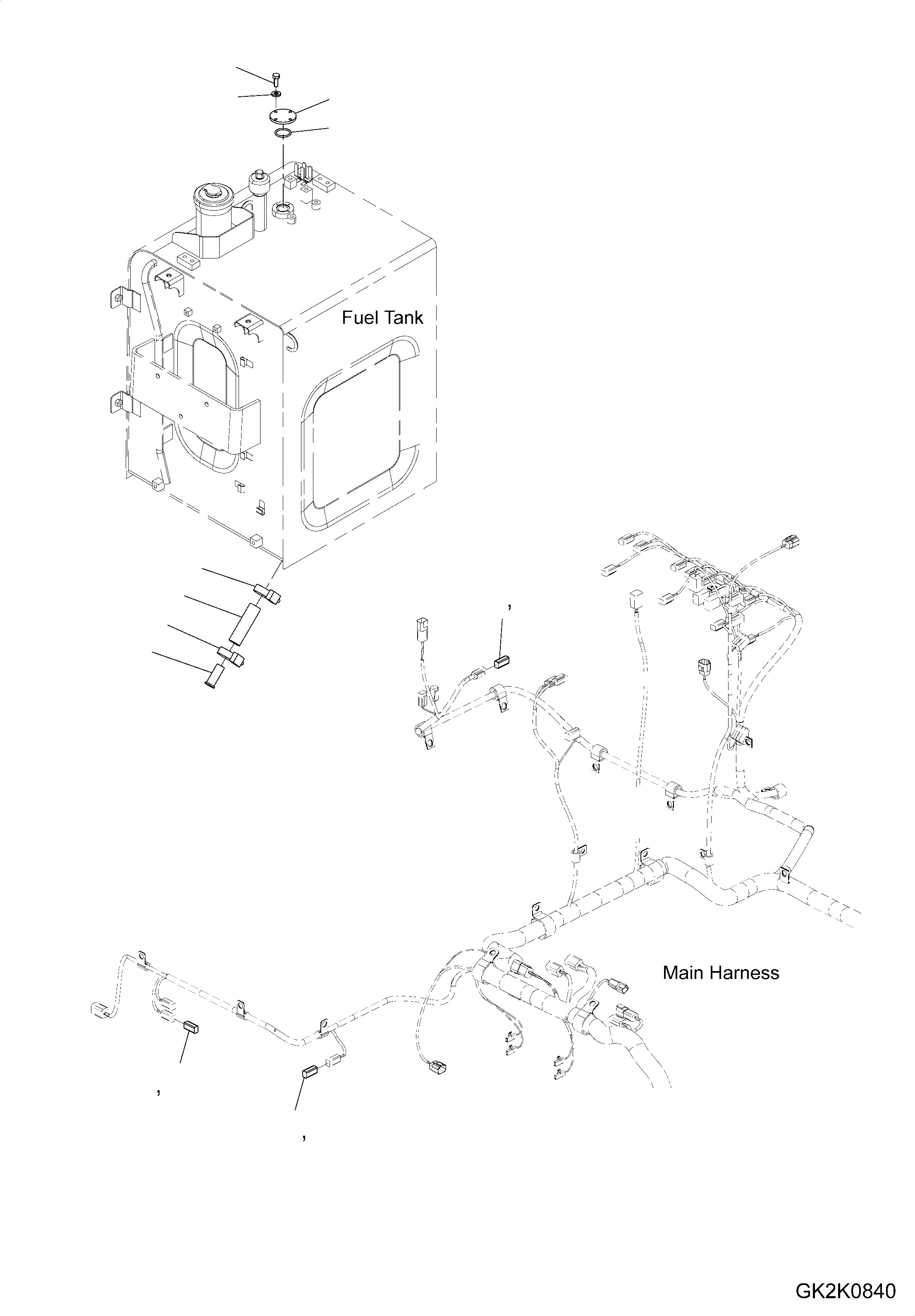
ТОПЛИВН. БАК. БЕЗ ЗАПРАВОЧН.LING СИСТЕМА
№
Артикул
Название
Примечание
Количество
1
20J-04-31110
Hose
2
20J-04-31120
Plug
3
07289-00035
Clamp
4
08192-12810
Connector
5
421-54-22990
Seal Plug
6
20E-04-42110
Plate
7
07000-13032
O-Ring
8
01010-80616
Bolt
9
01643-30623
Washer
Выбрано товаров: 0