Запчасти Komatsu PW170-5K ЭЛЕКТРИКА (ЛИНИЯ ПАНЕЛИ ПРИБОРОВ) КОМПОНЕНТЫ ДВИГАТЕЛЯ И ЭЛЕКТРИКА

Схема запчастей Komatsu PW170-5K - ЭЛЕКТРИКА (ЛИНИЯ ПАНЕЛИ ПРИБОРОВ) КОМПОНЕНТЫ ДВИГАТЕЛЯ И ЭЛЕКТРИКА
FIT
1:1
100%

Артикул

Название

Примечание

Количество

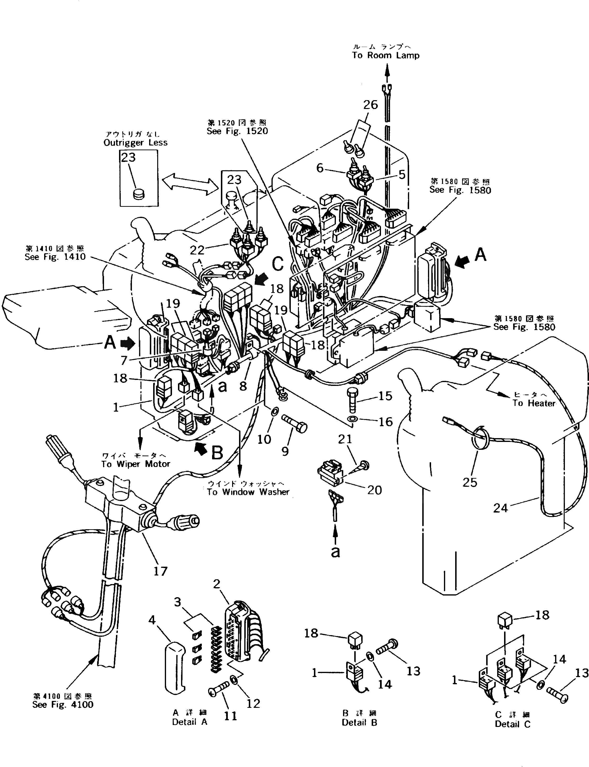
1

20G-06-K1343

WIRING HARNESS

|1

20G-06-K1341

WIRING HARNESS

|1

08020-00000

DIODE

2

195-Z11-2280

BODY,FUSE BOX

3

20G-06-K1390

FUSE¤ 5A

|3

283-06-16190

FUSE¤ 10A

|3

205-06-73180

FUSE¤ 15A

|3

201-06-61240

FUSE¤ 30A

4

195-Z11-2290

COVER,FUSE BOX

5

203-06-41570

SWITCH,SWING PROLIX

6

23S-06-14410

SWITCH,T.V.C. PROLIX

7

08035-02514

CLIP

8

08036-01814

CLIP

9

01010-51220

BOLT

10

01643-31232

WASHER

11

01220-40616

SCREW

12

01642-20608

WASHER

13

01220-40512

SCREW

14

01643-30623

WASHER

15

01010-50816

BOLT,FLOOR EARTH

16

01643-30823

WASHER

17

20G-06-K1110

SWITCH,COLUNM

18

20G-06-K1560

RELAY,WITH DIODE

19

205-06-K1480

RELAY

20

20G-06-K1200

RESISTOR ASS'Y

21

01370-00412

SCREW

22

20G-06-K1372

SWITCH ASS'Y

|22

20G-06-K1370

SWITCH ASS'Y

23

20G-06-K1382

SWITCH,(WITH OUTRIGGER)

|23

20G-06-K1380

SWITCH,(WITH OUTRIGGER)

|23

09415-00706

CAP,(OUTRIGGER LESS)

24

20G-06-K1770

WIRING HARNESS

25

08034-00823

BAND

26

203-06-41680

CAP

Выбрано товаров: 0