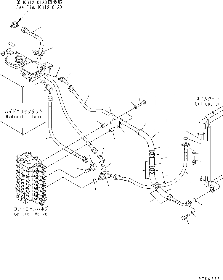
Запчасти Komatsu PW170ES-6K МАСЛООХЛАДИТЕЛЬ ЛИНИЯ(№K-K999) H ГИДРАВЛИКА

Схема запчастей Komatsu PW170ES-6K - МАСЛООХЛАДИТЕЛЬ ЛИНИЯ(№K-K999) H ГИДРАВЛИКА
1
2
3
4
5
5
6
6
6
7
8
8
9
9
10
10
11
12
13
14
15
16
17
18
19
20
21
22
23
24
25
26
27
28
29
FIT
1:1
100%

Артикул

Название

Примечание

Количество

1

21P-62-K2441

HOSE

2

07000-13032

O-RING

3

07372-21035

BOLT

4

01643-51032

WASHER

5

205-62-53780

COVER

6

08034-00536

BAND

7

203-62-52210

RUBBER

8

08034-00536

BAND

9

203-62-23260

CLIP

10

206-62-41670

COLLAR

11

01010-51275

BOLT

12

01643-31232

WASHER

13

21P-62-K2432

HOSE

14

07000-13032

O-RING

15

07372-21035

BOLT

16

01643-51032

WASHER

17

07235-10628

ELBOW

18

07002-12434

O-RING

19

07102-20607

HOSE

20

07236-11034

ELBOW

21

07002-13334

O-RING

22

203-62-61230

ELBOW

23

07002-12434

O-RING

24

203-62-65130

ELBOW

25

07002-13334

O-RING

26

07236-10522

ELBOW

27

07002-12434

O-RING

28

07102-20511

HOSE

29

08034-00519

BAND

Выбрано товаров: 29