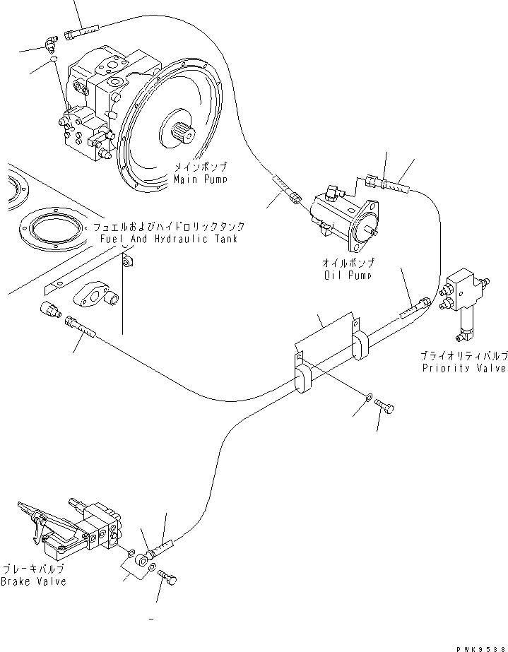
Запчасти Komatsu PW170ES-6K ТОРМОЗН. ГИДРОЛИНИЯ (ТОРМОЗНОЙ КЛАПАН - МАСЛ. НАСОС) (ИТАЛИЯ СПЕЦ-Я.)(№K-) K КАБИНА ОПЕРАТОРА И СИСТЕМА УПРАВЛЕНИЯ

Схема запчастей Komatsu PW170ES-6K - ТОРМОЗН. ГИДРОЛИНИЯ (ТОРМОЗНОЙ КЛАПАН - МАСЛ. НАСОС) (ИТАЛИЯ СПЕЦ-Я.)(№K-) K КАБИНА ОПЕРАТОРА И СИСТЕМА УПРАВЛЕНИЯ
1
1
2
3
4
4
5
6
7
8
8
9
10
11
11
FIT
1:1
100%

Артикул

Название

Примечание

Количество

1

20E-62-K7771

HOSE

2

20E-62-K7720

BOLT

3

20G-62-K1380

WASHER

4

203-62-58160

MARK, P1

5

20Y-06-15330

CLIP

6

01010-81230

BOLT

7

01643-31232

WASHER

8

20G-62-K8270

HOSE

9

07235-10628

ELBOW

10

07002-12434

O-RING

11

07123-00316

HOSE

Выбрано товаров: 11