Запчасти Komatsu PW170ES-6K ШАССИ РАМА (ЯЩИК Д/ИНСТРУМЕНТА, СТУПЕНИ, КОЛЕСА СТОПОР)(№K-K999) S SUSPENTION И КОЛЕСА

Схема запчастей Komatsu PW170ES-6K - ШАССИ РАМА (ЯЩИК Д/ИНСТРУМЕНТА, СТУПЕНИ, КОЛЕСА СТОПОР)(№K-K999) S SUSPENTION И КОЛЕСА
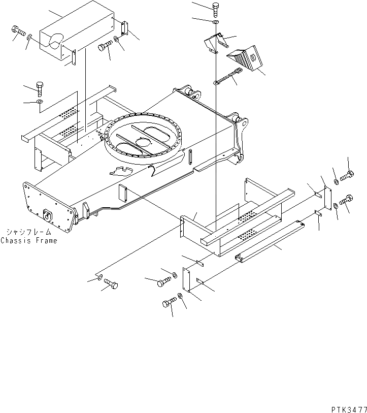
1
2
2
3
3
4
5
5
5
6
7
8
9
10
11
12
13
14
15
15
16
16
16
16
17
17
17
17
18
18
18
18
FIT
1:1
100%

Артикул

Название

Примечание

Количество

1

20E-54-K2570

CASE ASSEMBLY

2

20E-54-K2430

BRACKET

3

01010-80825

BOLT

4

01010-80820

BOLT

5

01643-30823

WASHER

6

20E-47-K1531

STOPPER,WHEEL

7

20E-47-K1541

BRACKET

8

01010-80820

BOLT

9

01643-30823

WASHER

10

20E-54-K2320

STRAP ASSEMBLY

11

20G-47-K3211

STEP

12

01010-81630

BOLT

13

01643-31645

WASHER

14

20E-47-K1221

PLATE

15

20E-47-K1241

SHEET

16

01010-81240

BOLT

17

01643-31232

WASHER

18

20E-47-K1230

PLATE

Выбрано товаров: 18