Запчасти Komatsu PW180-10 РАБОЧЕЕ ОБОРУДОВАНИЕ ТРУБЫ, ОСНОВНАЯ РАМА , ДЛЯ TWO-ЧАСТИ СТРЕЛА, ТРУБЫ (/) РАБОЧЕЕ ОБОРУДОВАНИЕ ТРУБЫ, ОСНОВНАЯ РАМА , ДЛЯ TWO-ЧАСТИ СТРЕЛА

Схема запчастей Komatsu PW180-10 - РАБОЧЕЕ ОБОРУДОВАНИЕ ТРУБЫ, ОСНОВНАЯ РАМА , ДЛЯ TWO-ЧАСТИ СТРЕЛА, ТРУБЫ (/) РАБОЧЕЕ ОБОРУДОВАНИЕ ТРУБЫ, ОСНОВНАЯ РАМА , ДЛЯ TWO-ЧАСТИ СТРЕЛА
a
a
b
b
c
c
d
d
21
21
12
17
13
20
22
15
11
18
19
16
14
17
20
10
24
18
4
19
23
3
4
5
3
1
2
1
6
8
2
9
7
6
FIT
1:1
100%

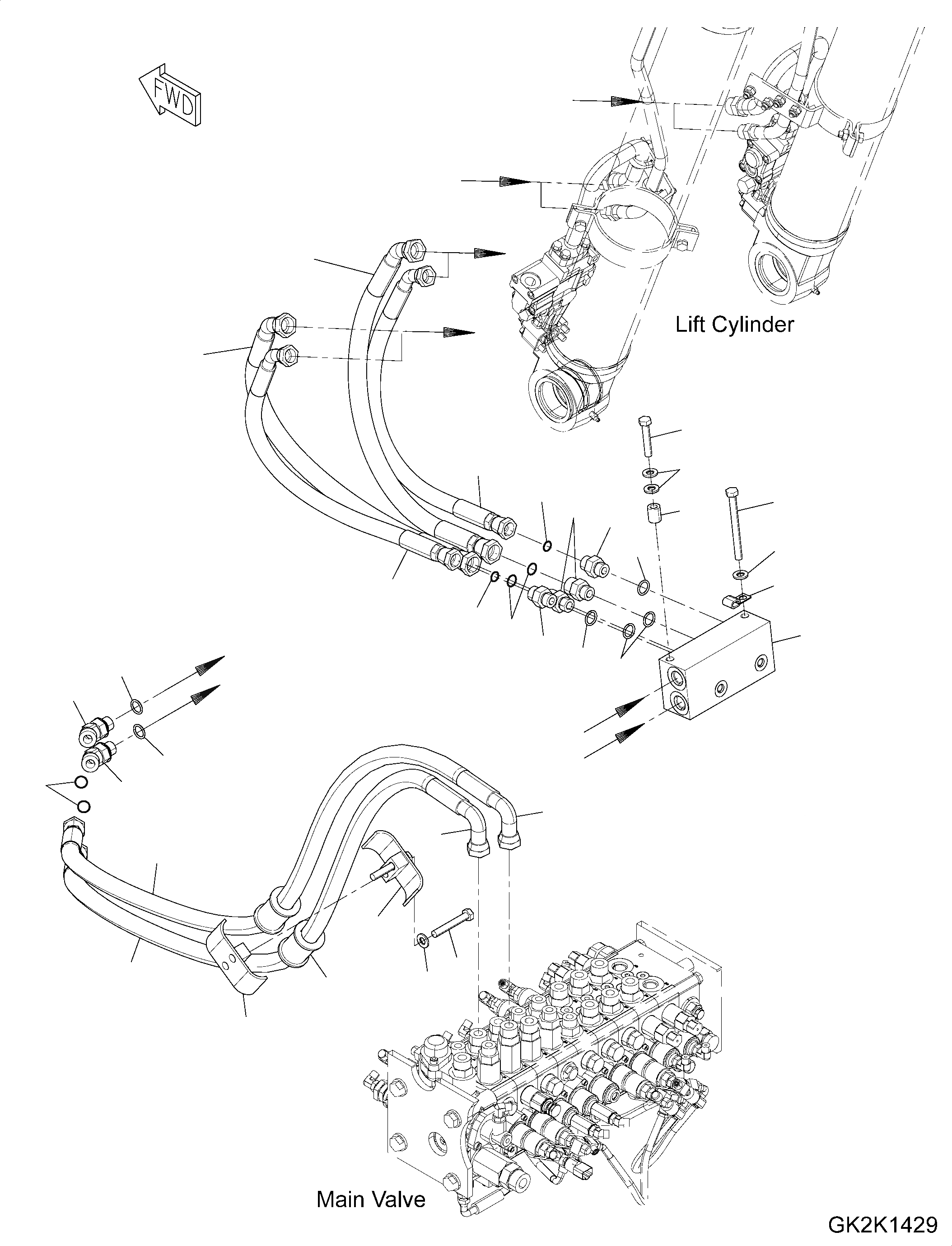
Артикул

Название

Примечание

Количество

1

20J-62-51580

Hose

2

20J-62-51590

Hose

3

02783-10628

Elbow

4

07002-62434

O-Ring

5

02896-11018

O-Ring

6

07094-31024

Clamp

7

07095-01033

Cushion

8

01010-81280

Bolt

9

01643-31232

Washer

10

20G-60-31960

Block, Mainfold

11

20Y-01-21260

Spacer

12

01011-81250

Bolt

13

01643-31232

Washer

14

04435-50812

Clip

15

01011-81230

Bolt

16

01643-31232

Washer

17

02779-00507

Hose

18

02781-00522

Union

19

07002-62434

O-Ring

20

02896-61015

O-Ring

21

02779-006A7

Hose

22

02781-00628

Union

23

07002-62434

O-Ring

24

02896-61018

O-Ring

Выбрано товаров: 24