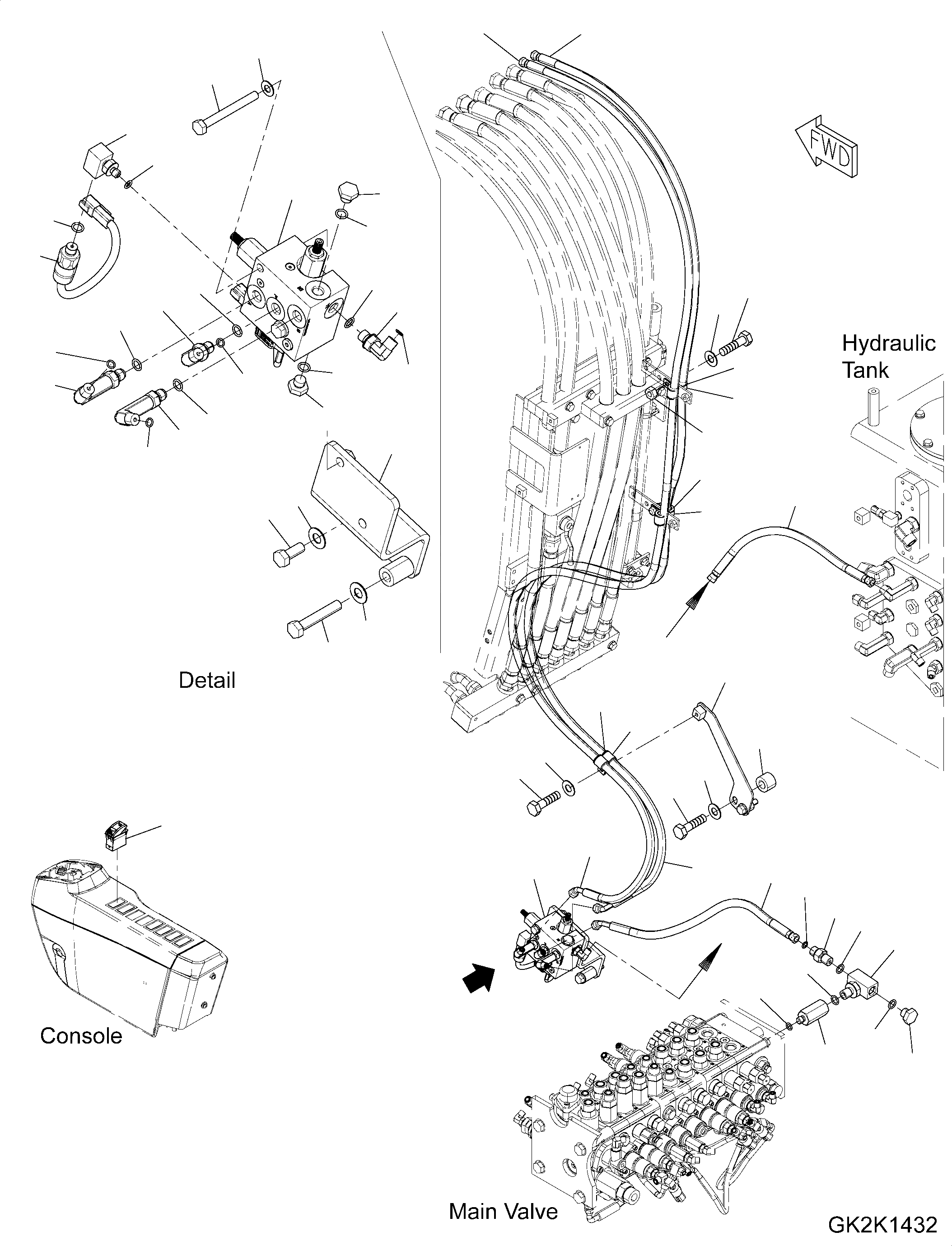
Запчасти Komatsu PW180-10 БЫСТРОСЪЕМН. МЕХ-М ТРУБЫ, ДЛЯ TWO-ЧАСТИ СТРЕЛА, ТРУБЫ БЫСТРОСЪЕМН. МЕХ-М ТРУБЫ, ДЛЯ TWO-ЧАСТИ СТРЕЛА

Схема запчастей Komatsu PW180-10 - БЫСТРОСЪЕМН. МЕХ-М ТРУБЫ, ДЛЯ TWO-ЧАСТИ СТРЕЛА, ТРУБЫ БЫСТРОСЪЕМН. МЕХ-М ТРУБЫ, ДЛЯ TWO-ЧАСТИ СТРЕЛА
15
12
a
a
6
5
A
A
29
21
31
23
22
22
26
22
22
3
25
17
4
22
19
24
22
19
18
19
20
23
22
11
28
18
19
24
8
13
7
20
10
9
33
24
20
34
2
1
36
35
32
15
31
14
12
19
16
22
30
22
21
22
27
23
FIT
1:1
100%

Артикул

Название

Примечание

Количество

1

01010-81020

Bolt

2

01643-31032

Washer

3

01010-81025

Bolt

4

01643-31032

Washer

5

01010-81095

Bolt

6

01643-31032

Washer

7

01010-81230

Bolt

8

01643-31232

Washer

9

01010-81270

Bolt

10

01643-31232

Washer

11

01580-01008

Nut

12

02779-00233

Hose

13

02777-00205

Hose

14

02779-00206

Hose

15

02779-00234

Hose

16

02781-0021D

Union

17

02782-10210

Elbow

18

21K-62-K2530

Elbow

19

02896-11008

O-Ring

20

04434-51910

Clip

21

07002-11023

O-Ring

22

07002-11423

O-Ring

23

07040-11409

Plug

24

07095-20213

Cushion

25

20Y-62-K5931

Elbow

26

20J-06-51580

Switch, Pressure

27

20J-62-13282

Adapter

28

20J-62-52111

Bracket

29

20K-62-41550

Elbow

30

20Y-62-43640

Tee

31

20Y-62-K9070

Valve

32

20J-06-52380

Switch, Quick Coupler Unlock

33

20J-62-51621

Bracket

34

144-947-3490

Spacer

35

01010-81245

Bolt

36

01643-31232

Washer

Выбрано товаров: 36