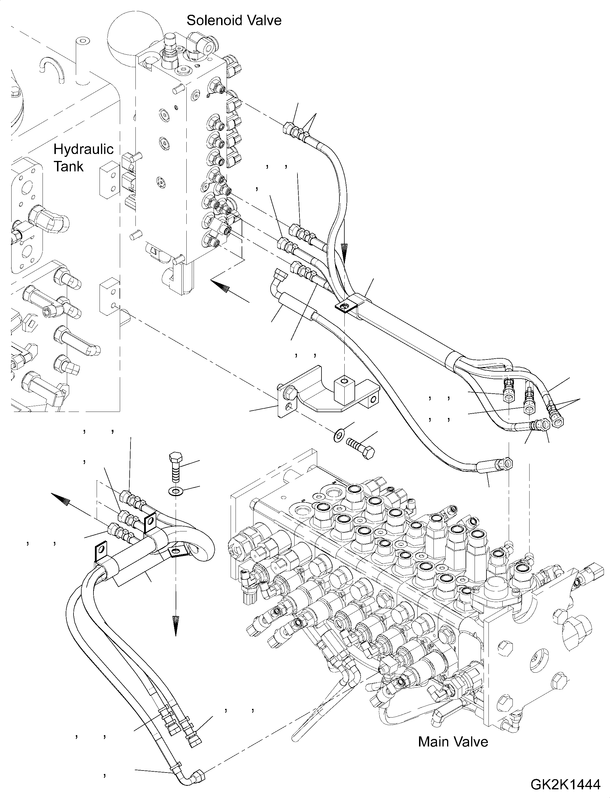
Запчасти Komatsu PW180-10 СОЛЕНОИДНЫЙ КЛАПАН, PROP УПРАВЛ-Е, -НАВЕСН. ОБОРУД, ТРУБЫ (/) СОЛЕНОИДНЫЙ КЛАПАН, PROP УПРАВЛ-Е, -НАВЕСН. ОБОРУД

Схема запчастей Komatsu PW180-10 - СОЛЕНОИДНЫЙ КЛАПАН, PROP УПРАВЛ-Е, -НАВЕСН. ОБОРУД, ТРУБЫ (/) СОЛЕНОИДНЫЙ КЛАПАН, PROP УПРАВЛ-Е, -НАВЕСН. ОБОРУД
a
a
b
b
7
3
2
8
4
5
9
19
16
1
3
6
7
2
4
8
3
17
1
3
6
21
12
13
14
20
9
5
12
15
22
23
16
10
11
14
18
10
11
14
12
13
14
12
15
FIT
1:1
100%

Артикул

Название

Примечание

Количество

|$1

20J-62-51160

Hose Assembly

1

20Y-62-22790

Band, Red

2

20Y-62-22830

Band, White

3

20Y-62-22840

Band, Black

4

20Y-62-22850

Band, Green

5

20Y-62-22860

Band, Brown

6

02760-00207

Hose

7

02760-00211

Hose

8

02760-002A6

Hose

9

02760-002A7

Hose

|$11

20J-62-51180

Hose Assembly

10

20Y-62-22830

Band, White

11

20Y-62-22840

Band, Black

12

20Y-62-22850

Band, Green

13

20Y-62-22860

Band, Brown

14

02760-00211

Hose

15

02761-00212

Hose

16

02775-00207

Hose

17

20J-62-51170

Bracket

18

04434-52712

Clip

19

04434-53212

Clip

20

01010-81225

Bolt

21

01643-31232

Washer

22

01016-51235

Bolt

23

01643-31232

Washer

Выбрано товаров: 25