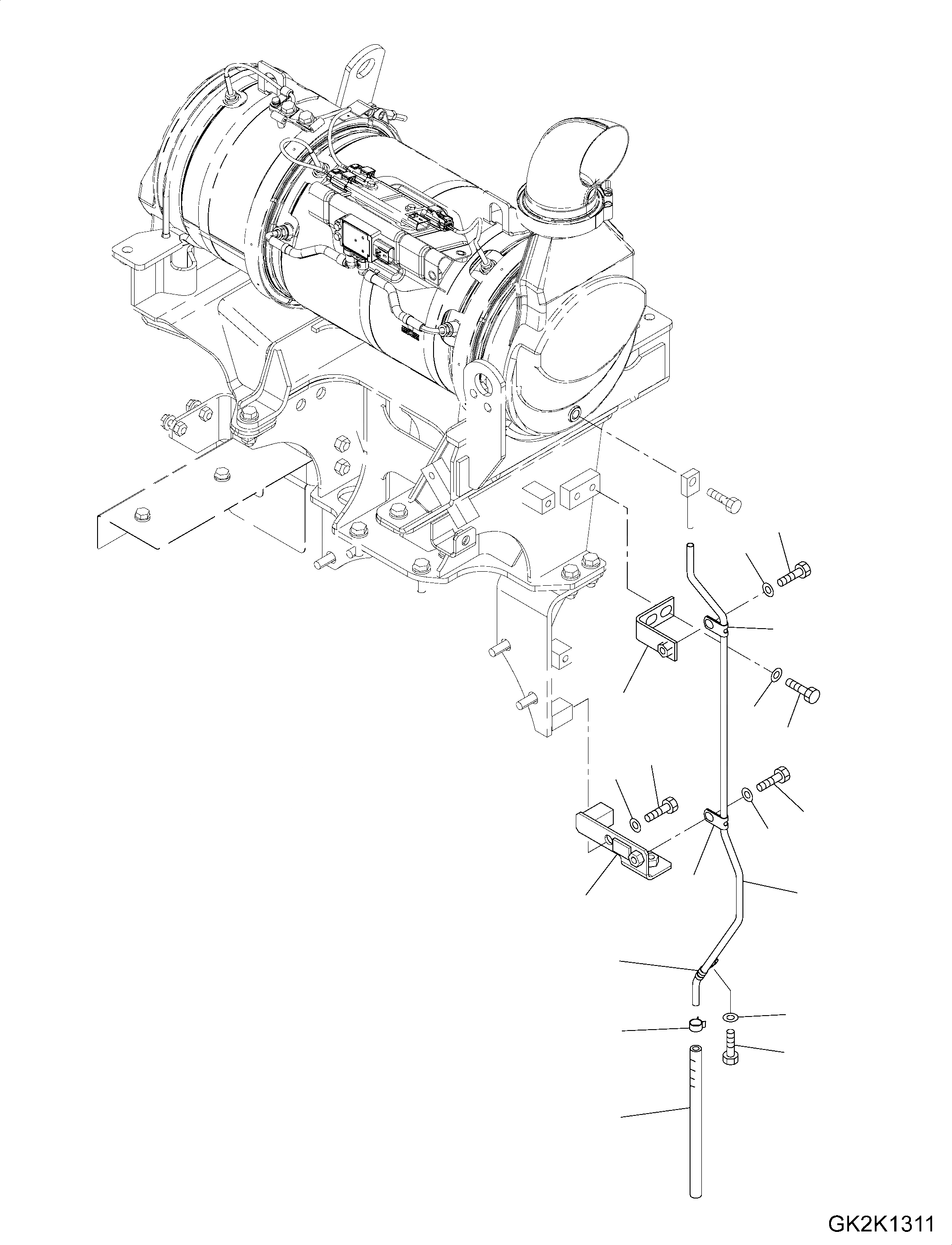
Запчасти Komatsu PW180-10 KOMATSU DIESEL ЧАСТЬICULATE ФИЛЬТР. (KDPF), ДРЕНАЖН. ТРУБЫ KOMATSU DIESEL ЧАСТЬICULATE ФИЛЬТР. (KDPF)

Схема запчастей Komatsu PW180-10 - KOMATSU DIESEL ЧАСТЬICULATE ФИЛЬТР. (KDPF), ДРЕНАЖН. ТРУБЫ KOMATSU DIESEL ЧАСТЬICULATE ФИЛЬТР. (KDPF)
11
12
10
4
6
5
8
9
11
12
10
1
7
10
12
3
11
2
FIT
1:1
100%

Артикул

Название

Примечание

Количество

1

2A5-01-11432

Tube

2

2A5-01-11551

Hose

3

07285-00150

Clip, Hose

4

2A5-01-11450

Plate

5

01010-81225

Bolt

6

01643-31232

Washer

7

20J-01-51311

Bracket

8

01010-81225

Bolt

9

01643-31232

Washer

10

2A5-01-11750

Clip

11

01010-81225

Bolt

12

01643-31232

Washer

Выбрано товаров: 12