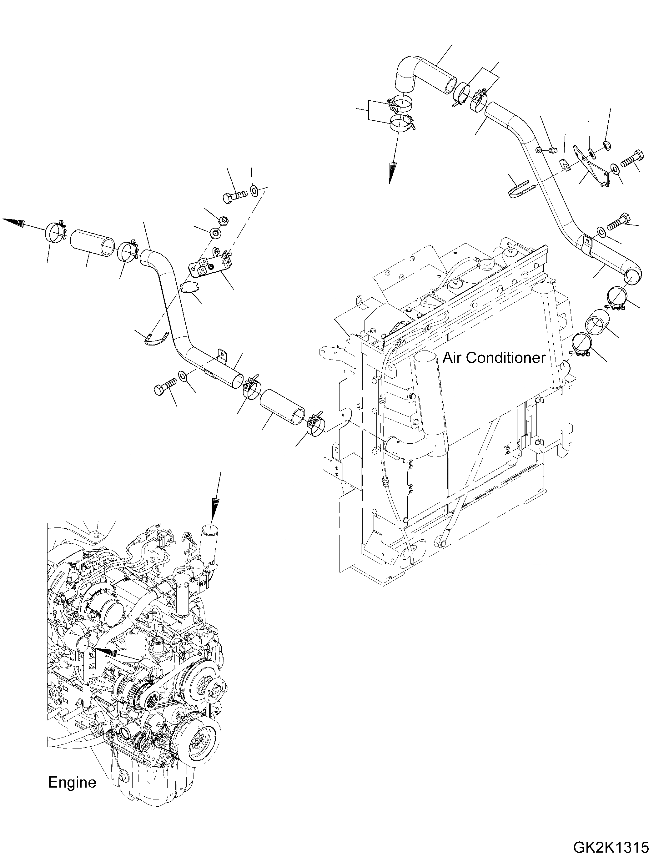
Запчасти Komatsu PW180-10 СИСТЕМА ОХЛАЖДЕНИЯ, ЛИНИЯ ОХЛАЖДЕНИЯ СИСТЕМА ОХЛАЖДЕНИЯ

Схема запчастей Komatsu PW180-10 - СИСТЕМА ОХЛАЖДЕНИЯ, ЛИНИЯ ОХЛАЖДЕНИЯ СИСТЕМА ОХЛАЖДЕНИЯ
19
9
4
a
a
17
b
21
b
4
16
15
8
7
6
14
12
11
13
17
1
16
10
4
18
8
4
5
4
15
14
20
1
4
3
2
4
18
4
FIT
1:1
100%

Артикул

Название

Примечание

Количество

1

20J-03-51520

Tube

2

01010-81020

Bolt

3

01643-31032

Washer

4

21T-62-69711

Clamp

5

20J-03-51541

Bracket

6

01016-51030

Bolt

7

01643-31032

Washer

8

20J-03-51511

Tube

9

01010-81020

Bolt

10

01643-31032

Washer

11

20J-03-51531

Plate

12

01016-51030

Bolt

13

01643-31032

Washer

14

07283-36365

Pipe Clip

15

07283-56374

Seat

16

01643-31032

Washer

17

01597-01009

Nut

18

2A5-03-11610

Hose

19

2A5-03-11621

Hose

20

2A5-03-11960

Hose

21

07042-30108

Plug

Выбрано товаров: 21