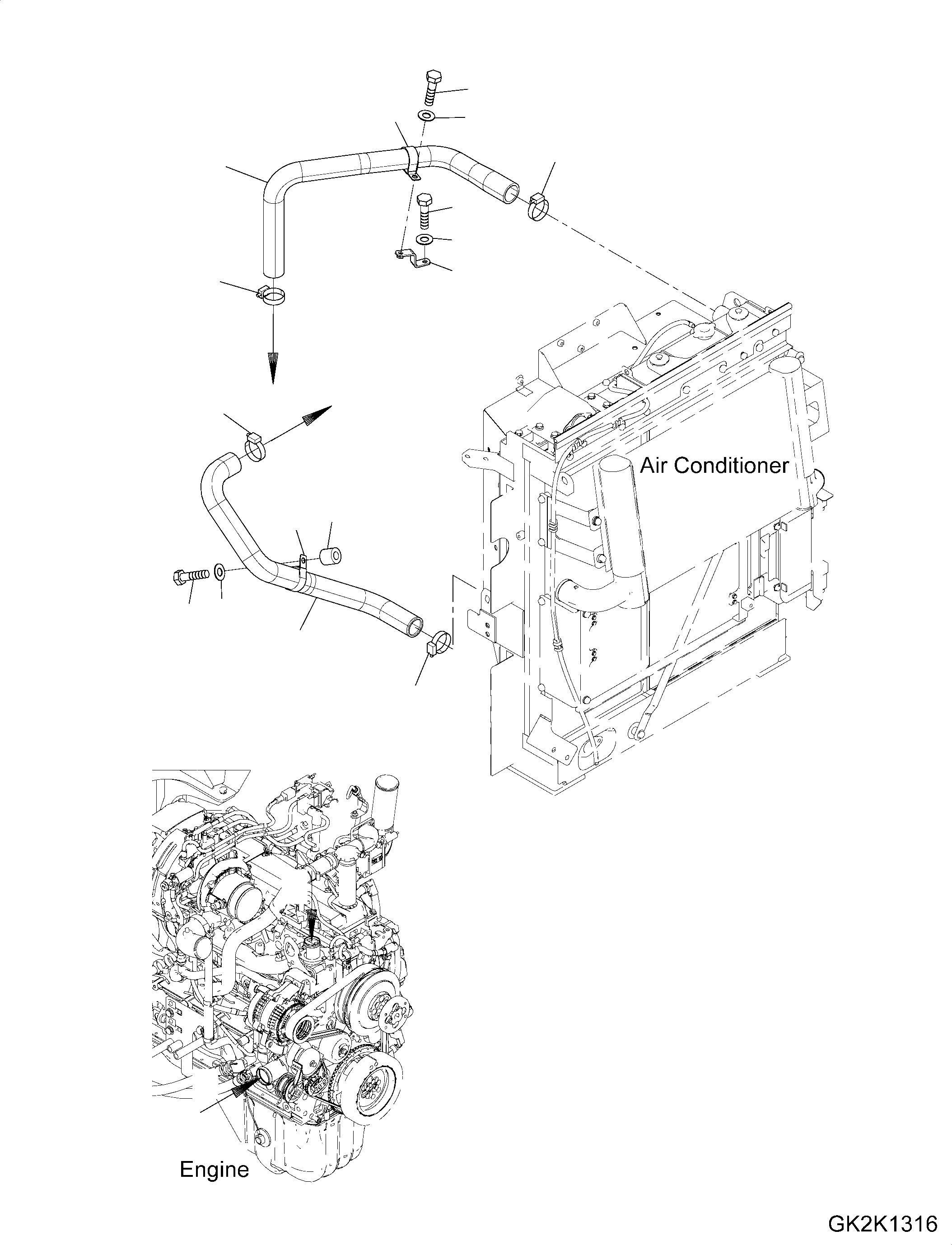
Запчасти Komatsu PW180-10 СИСТЕМА ОХЛАЖДЕНИЯ, СИСТЕМА ТРУБ РАДИАТОРА СИСТЕМА ОХЛАЖДЕНИЯ

Схема запчастей Komatsu PW180-10 - СИСТЕМА ОХЛАЖДЕНИЯ, СИСТЕМА ТРУБ РАДИАТОРА СИСТЕМА ОХЛАЖДЕНИЯ
a
6
5
7
a
b
1
b
11
3
4
2
1
1
10
5
9
8
12
1
FIT
1:1
100%

Артикул

Название

Примечание

Количество

1

07289-00055

Clamp, Hose

2

20J-03-51571

Bracket

3

01010-81020

Bolt

4

01643-31032

Washer

5

2A5-03-11940

Clip

6

01010-81020

Bolt

7

01643-31032

Washer

8

01010-81045

Bolt

9

01643-31032

Washer

10

175-79-83760

Spacer

11

20J-03-51550

Hose

12

20J-03-51560

Hose

Выбрано товаров: 12