Качественные детали и логистика
Оригинальные и аналоговые запчасти с доставкой по России, Казахстану и Беларуси
©2022 PartSell ООО "Система" ИНН 2463123282 ОГРН 1212400004838
Центральный офис: г. Красноярск, Академика Киренского, д.87, пом.4
Телефон: 8 (800) 777-65-74 Email: zakaz@partsell.ru
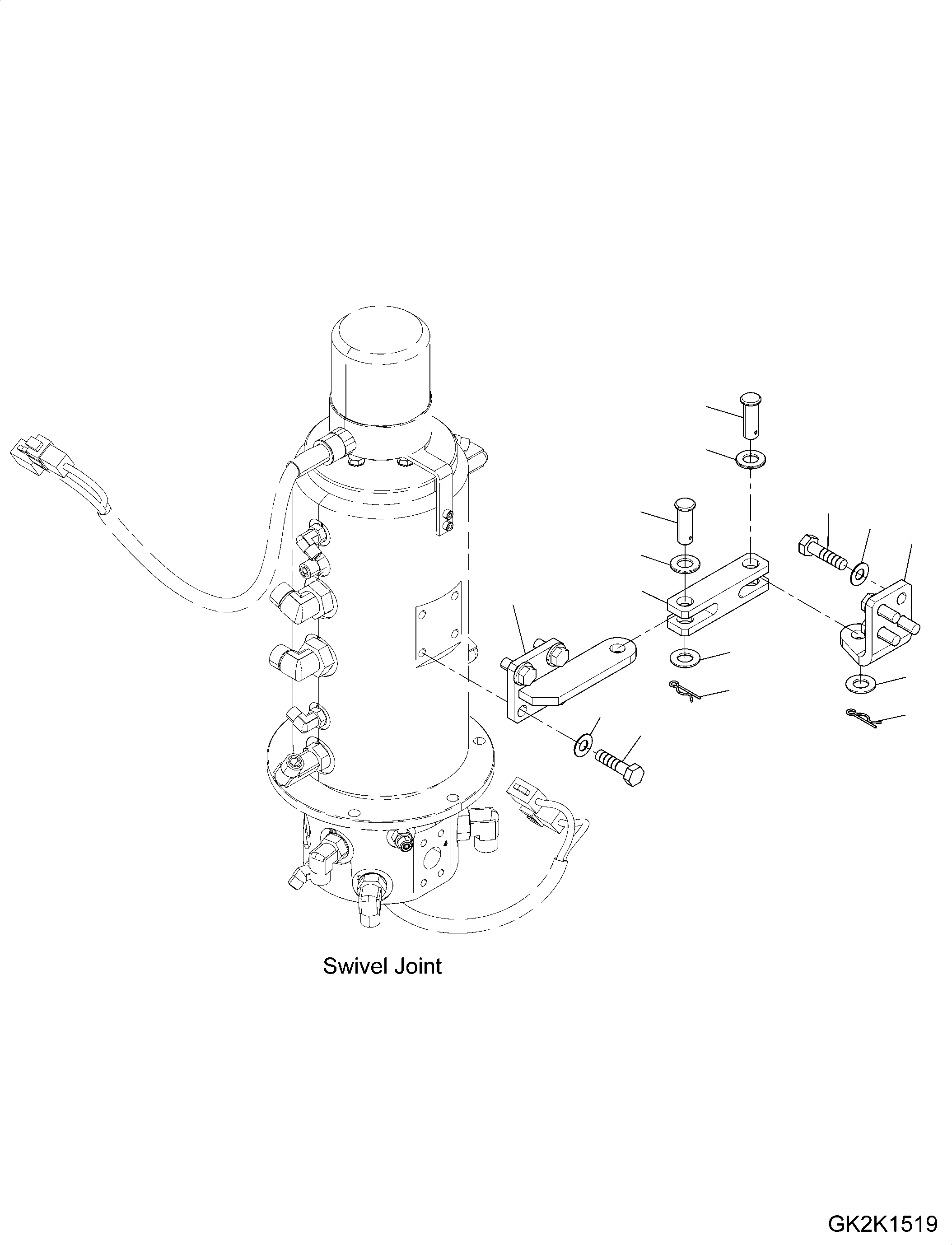
ПОВОРОТНОЕ СОЕДИНЕНИЕ, ГТР РУКОЯТЬ
№
Артикул
Название
Примечание
Количество
1
20K-62-31331
Bracket
2
20K-62-35120
3
01010-81230
Bolt
4
01643-31232
Washer
5
01640-21626
6
04052-11664
Pin, Snap
7
04205-31648
Pin
8
20K-62-31742
Plate
9
01016-51235
10
Выбрано товаров: 0