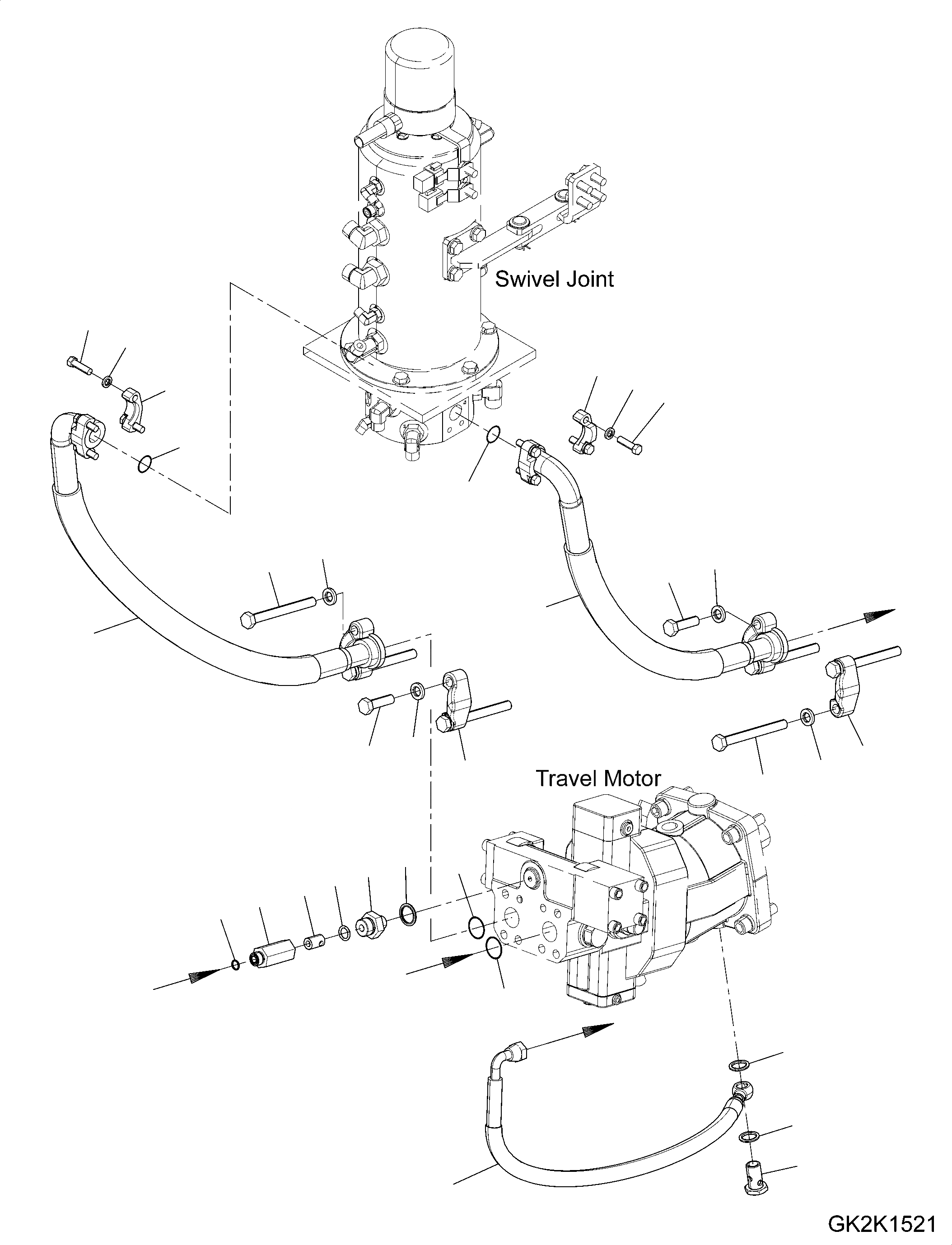
Запчасти Komatsu PW180-10 ХОД ТРУБЫ, НИЖН. ХОД ТРУБЫ, НИЖН.

Схема запчастей Komatsu PW180-10 - ХОД ТРУБЫ, НИЖН. ХОД ТРУБЫ, НИЖН.
a
a
b
b
20
13
19
13
20
19
15
15
1
1
12
11
5
6
1
10
11
1
10
12
18
16
7
17
8
3
14
16
4
4
2
9
FIT
1:1
100%

Артикул

Название

Примечание

Количество

1

20D-14-11510

Washer

2

20E-62-K7720

Bolt, Banjo

3

20G-62-32620

Body

4

20G-62-K1380

Washer

5

20J-62-11260

Hose

6

20J-62-11270

Hose

7

20K-62-34560

Adaptor

8

20K-62-35160

Valve Assembly, Shuttle

9

20K-62-35380

Hose

10

21P-62-K2780

Flange

11

01010-81450

Bolt

12

01011-81435

Bolt

13

01643-51032

Washer

14

02896-11012

O-Ring

15

07000-13032

O-Ring

16

07000-13038

O-Ring

17

07002-12034

O-Ring

18

07005-02716

Washer, Seal

19

07371-31049

Flange, Split

20

07372-21035

Bolt

Выбрано товаров: 20