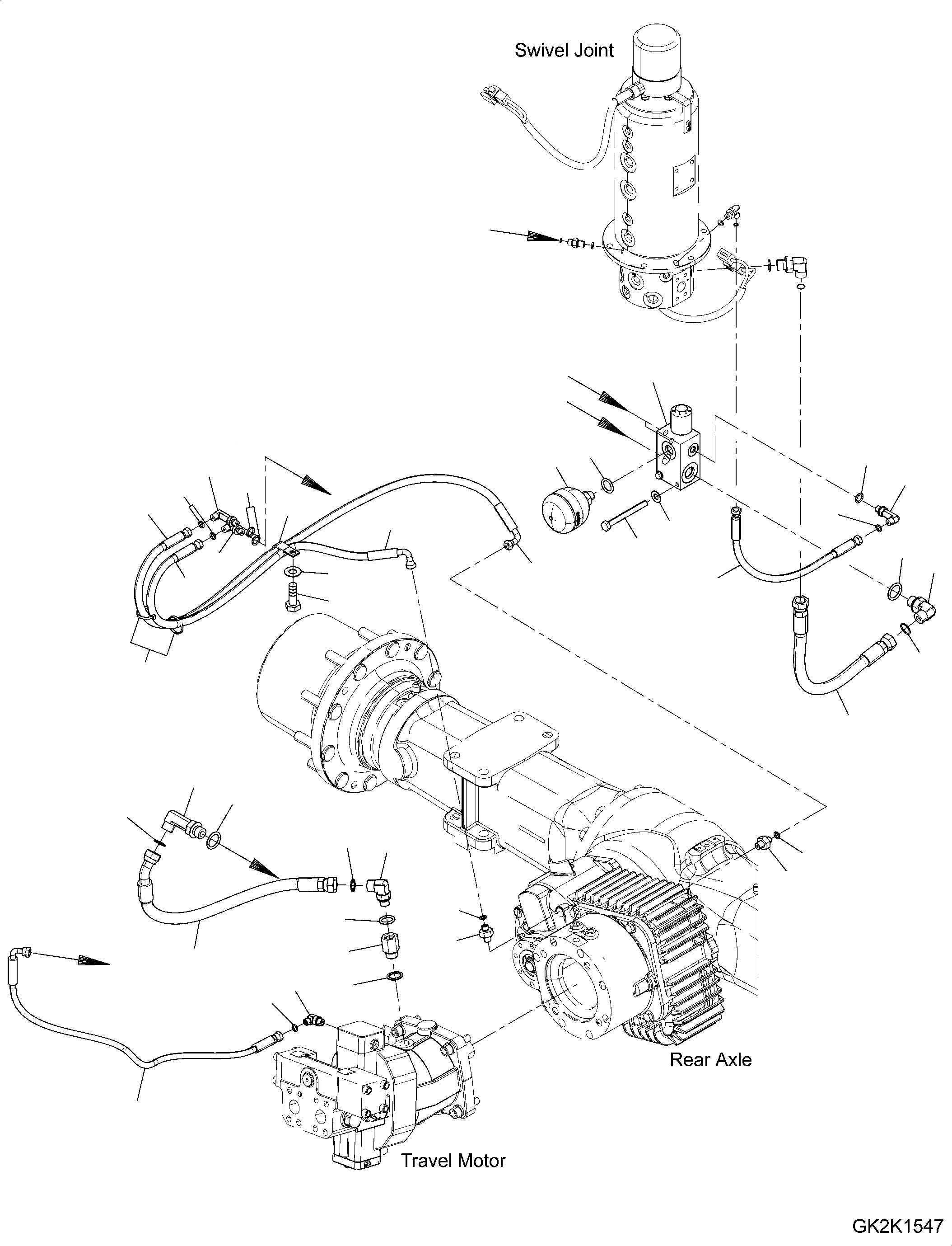
Запчасти Komatsu PW180-10 УПРАВЛ-Е ТРАНСМИССИЕЙ УПРАВЛ-Е ТРАНСМИССИЕЙ

Схема запчастей Komatsu PW180-10 - УПРАВЛ-Е ТРАНСМИССИЕЙ УПРАВЛ-Е ТРАНСМИССИЕЙ
a
a
b
b
c
c
3
24
23
6
16
16
23
20
14
22
13
20
28
25
27
19
15
8
14
12
13
7
21
26
10
18
25
21
21
17
20
4
20
24
4
1
11
5
2
20
9
FIT
1:1
100%

Артикул

Название

Примечание

Количество

1

20G-62-K7231

Adaptor

2

20G-62-K7240

Washer

3

20J-62-51130

Valve

4

20K-62-35450

Adaptor

5

20K-62-35460

Elbow

6

20J-60-51260

Accumulator

7

01010-81020

Bolt

8

01643-31032

Washer

9

02775-00210

Hose

10

02774-00505

Hose

11

02776-00506

Hose

12

02765-002A4

Hose

13

02766-00210

Hose

14

02766-00214

Hose

15

02782-10210

Elbow

16

02782-1021A

Elbow

17

02782-10516

Elbow

18

02782-10524

Elbow

19

02782-10522

Elbow

20

02896-11008

O-Ring

21

02896-11015

O-Ring

22

04435-51510

Clip

23

07002-11423

O-Ring

24

07002-12034

O-Ring

25

07002-12434

O-Ring

26

08034-20519

Band

27

01010-80880

Bolt

28

01643-30823

Washer

Выбрано товаров: 28