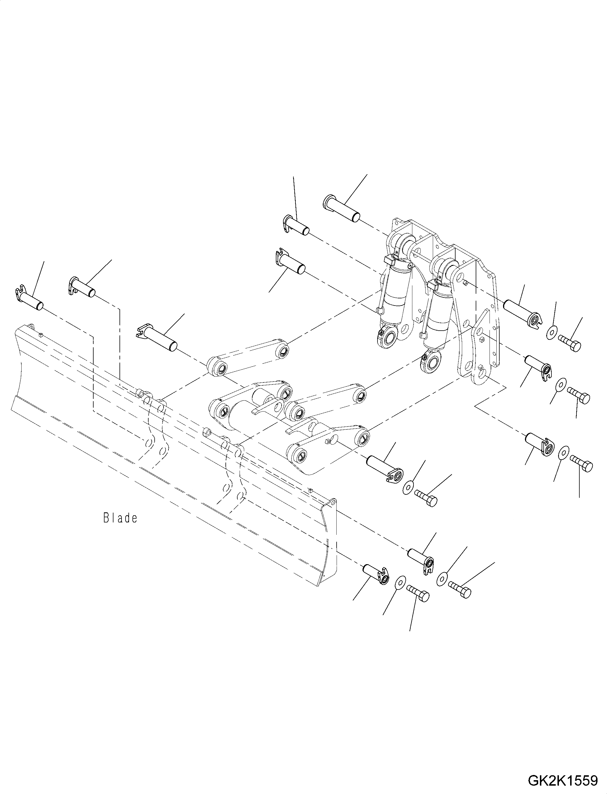
Запчасти Komatsu PW180-10 ПЕРЕДН. DOZER ОТВАЛ, MM, DOZER СОЕДИНИТЕЛЬН. ЗВЕНО, ПАЛЕЦ ПЕРЕДН. DOZER ОТВАЛ, MM

Схема запчастей Komatsu PW180-10 - ПЕРЕДН. DOZER ОТВАЛ, MM, DOZER СОЕДИНИТЕЛЬН. ЗВЕНО, ПАЛЕЦ ПЕРЕДН. DOZER ОТВАЛ, MM
7
1
4
4
7
9
10
13
8
1
3
2
10
12
11
13
15
14
4
6
5
4
6
5
FIT
1:1
100%

Артикул

Название

Примечание

Количество

1

20G-910-3282

Pin

2

01010-81016

Bolt

3

144-854-1890

Washer

4

20G-910-3282

Pin

5

01010-81016

Bolt

6

144-854-1890

Washer

7

20J-910-1380

Pin

8

01010-81016

Bolt

9

144-854-1890

Washer

10

20J-910-1380

Pin

11

01010-81016

Bolt

12

144-854-1890

Washer

13

20K-910-3312

Pin

14

01010-81016

Bolt

15

144-854-1890

Washer

Выбрано товаров: 15