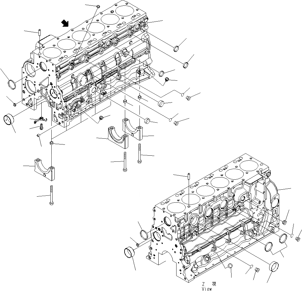
Запчасти Komatsu PW180-7E0 БЛОК ЦИЛИНДРОВ AA ДВИГАТЕЛЬ

Схема запчастей Komatsu PW180-7E0 - БЛОК ЦИЛИНДРОВ AA ДВИГАТЕЛЬ
12
1
10
13
14
6
15
3
7
2
5
7
21
4
3
7
22
2
23
19
18
25
26
21
8
11
8
9
10
6
10
1
12
9
24
17
16
1
27
16
17
20
Z
Z
FIT
1:1
100%

Артикул

Название

Примечание

Количество

|$1

6754-21-1310

CYLINDER BLOCK ASSEMBLY

|$2

BLOCK ASSEMBLY

|$3

BLOCK ASSEMBLY

1

6732-21-1831

PLUG

|$5

6754-21-1220

CAP ASSEMBLY

2

RING

3

CAP

|$8

6754-21-1240

CAP ASSEMBLY

4

RING

5

CAP

6

6732-21-1411

BUSHING

7

6732-21-1611

BOLT

8

6742-01-1420

PLUG

9

BLOCK

10

6732-21-1812

PLUG

11

6732-21-1820

PLUG

|$17

6754-21-1320

BLOCK KIT

12

6732-21-6140

RING

13

6754-21-1190

NOZZLE

14

6754-21-1180

JOINT

15

6754-21-6220

RING

|$22

6560-81-7110

PLUG ASSEMBLY

16

6560-81-7120

PLUG

17

6560-81-7130

O-RING

|$25

6732-21-1960

PLUG ASSEMBLY

18

6215-81-9510

PLUG

19

6215-81-9710

O-RING

20

6735-21-5530

PLUG

21

6732-21-5530

PLUG

22

6732-21-6160

PLUG

23

6742-01-1420

PLUG

24

6732-11-1920

PLUG

|$33

6216-24-5130

PLUG ASSEMBLY

25

PLUG

26

6735-21-1930

O-RING

27

6732-21-1831

PLUG

Выбрано товаров: 36