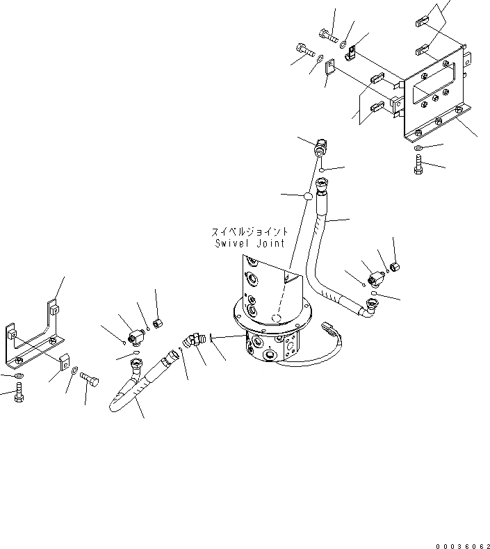
Запчасти Komatsu PW180-7E0 ПОВОРОТНОЕ СОЕДИНЕНИЕ - СОЛЕНОИД ЛИНИЯ (ПЕРЕДН. ОТВАЛ - ЗАДН. LESS) N ПОВОРОТН. КРУГ И КОМПОНЕНТЫ

Схема запчастей Komatsu PW180-7E0 - ПОВОРОТНОЕ СОЕДИНЕНИЕ - СОЛЕНОИД ЛИНИЯ (ПЕРЕДН. ОТВАЛ - ЗАДН. LESS) N ПОВОРОТН. КРУГ И КОМПОНЕНТЫ
25
22
24
23
20
21
19
5
25
1
3
2
6
7
4
15
13
12
13
14
10
8
9
11
20
21
19
17
18
14
13
12
13
15
16
FIT
1:1
100%

Артикул

Название

Примечание

Количество

1

20J-62-12390

BRACKET

2

01010-81245

BOLT

3

01643-31232

WASHER

4

02778-00506

HOSE, (FACE SEAL)

5

02782-10522

ELBOW, (WITH SEAL)

6

02896-61015

O-RING, (FOR FACE SEAL)

7

07002-62434

O-RING

8

02783-10522

ELBOW

9

02896-61015

O-RING, (FOR FACE SEAL)

10

07002-62434

O-RING

11

02778-005A5

HOSE, (FACE SEAL)

12

20J-62-12530

TEE

13

02896-11009

O-RING, (FOR FACE SEAL)

14

02896-61015

O-RING, (FOR FACE SEAL)

15

20J-62-12540

PLUG

16

20J-47-11340

BRACKET

17

01010-81245

BOLT

18

01643-31232

WASHER

19

20J-62-11970

CLAMP

20

01010-81025

BOLT

21

01643-31032

WASHER

22

04434-51512

CLIP

23

01010-81020

BOLT

24

01643-31032

WASHER

25

08192-12100

CONNECTOR, (WATER PROOF TYPE)

|$26

08191-00770

SEALING PLUG

Выбрано товаров: 26