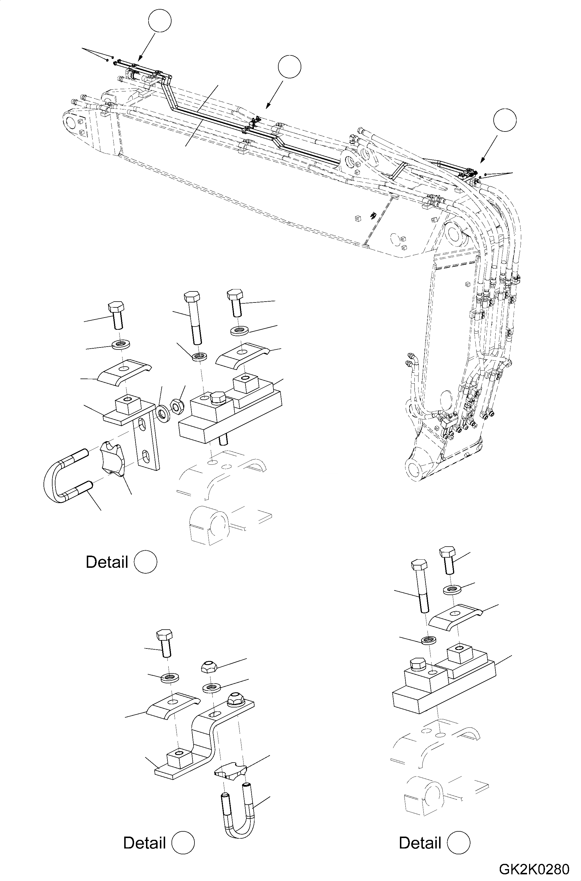
Запчасти Komatsu PW180-7E0 ГИДРОЛИНИЯ - TWO-ЧАСТИ СТРЕЛА - БЫСТРОСЪЕМН. МЕХ-М ЛИНИЯ - СТРЕЛА T РАБОЧЕЕ ОБОРУДОВАНИЕ

Схема запчастей Komatsu PW180-7E0 - ГИДРОЛИНИЯ - TWO-ЧАСТИ СТРЕЛА - БЫСТРОСЪЕМН. МЕХ-М ЛИНИЯ - СТРЕЛА T РАБОЧЕЕ ОБОРУДОВАНИЕ
C
C
B
B
A
A
3
2
1
3
10
9
7
5
12
11
15
16
9
8
10
9
7
6
13
14
4
7
10
9
9
8
12
11
10
9
7
5
FIT
1:1
100%

Артикул

Название

Примечание

Количество

1

20J-70-12350

TUBE

2

20J-70-12291

TUBE

3

02896-11008

O-RING

4

20J-70-12192

BRACKET

5

20J-70-12260

SEAT

6

20J-70-12460

BRACKET

7

20J-70-12280

CLAMP

8

01597-01009

NUT

9

01643-31032

WASHER

10

01010-81025

BOLT

11

01010-81060

BOLT

12

01643-51032

WASHER

13

07283-33450

CLIP

14

07283-53444

SEAT

15

07283-32746

CLIP

16

07283-52737

SEAT

Выбрано товаров: 16