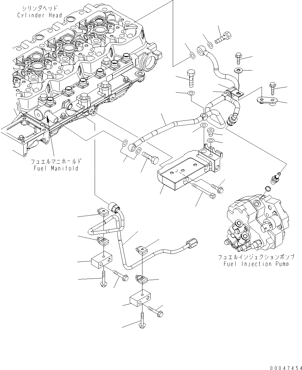
Запчасти Komatsu PW180-7E0 ТОПЛИВОПРОВОД. AA ДВИГАТЕЛЬ

Схема запчастей Komatsu PW180-7E0 - ТОПЛИВОПРОВОД. AA ДВИГАТЕЛЬ
18
19
17
20
16
18
19
21
21
17
20
7
8
1
3
2
7
4
8
7
7
5
6
12
13
14
15
11
10
9
7
FIT
1:1
100%

Артикул

Название

Примечание

Количество

1

6754-71-5410

CONNECTOR

2

6732-61-6140

BOLT

3

6736-81-8730

BOLT

4

6754-71-5420

TUBE

5

6735-71-3821

SEAL

6

6754-71-5430

VALVE

7

07005-01212

GASKET

8

6732-71-6510

BOLT

9

6754-71-5150

PLUG

10

6754-71-5450

BRACKET

11

6732-21-6630

BOLT

12

04434-51708

CLIP

13

07095-20211

CUSHION

14

6732-21-3120

BOLT

15

154-61-16570

WASHER

|$16

6754-71-5120

TUBE ASSEMBLY

16

6754-71-5130

TUBE

17

6754-71-5140

PLATE

18

6217-71-6670

CLAMP

19

6217-71-6660

CLAMP

20

6733-71-5830

BOLT

21

6732-61-3110

BOLT

Выбрано товаров: 22