Качественные детали и логистика
Оригинальные и аналоговые запчасти с доставкой по России, Казахстану и Беларуси
©2022 PartSell ООО "Система" ИНН 2463123282 ОГРН 1212400004838
Центральный офис: г. Красноярск, Академика Киренского, д.87, пом.4
Телефон: 8 (800) 777-65-74 Email: zakaz@partsell.ru
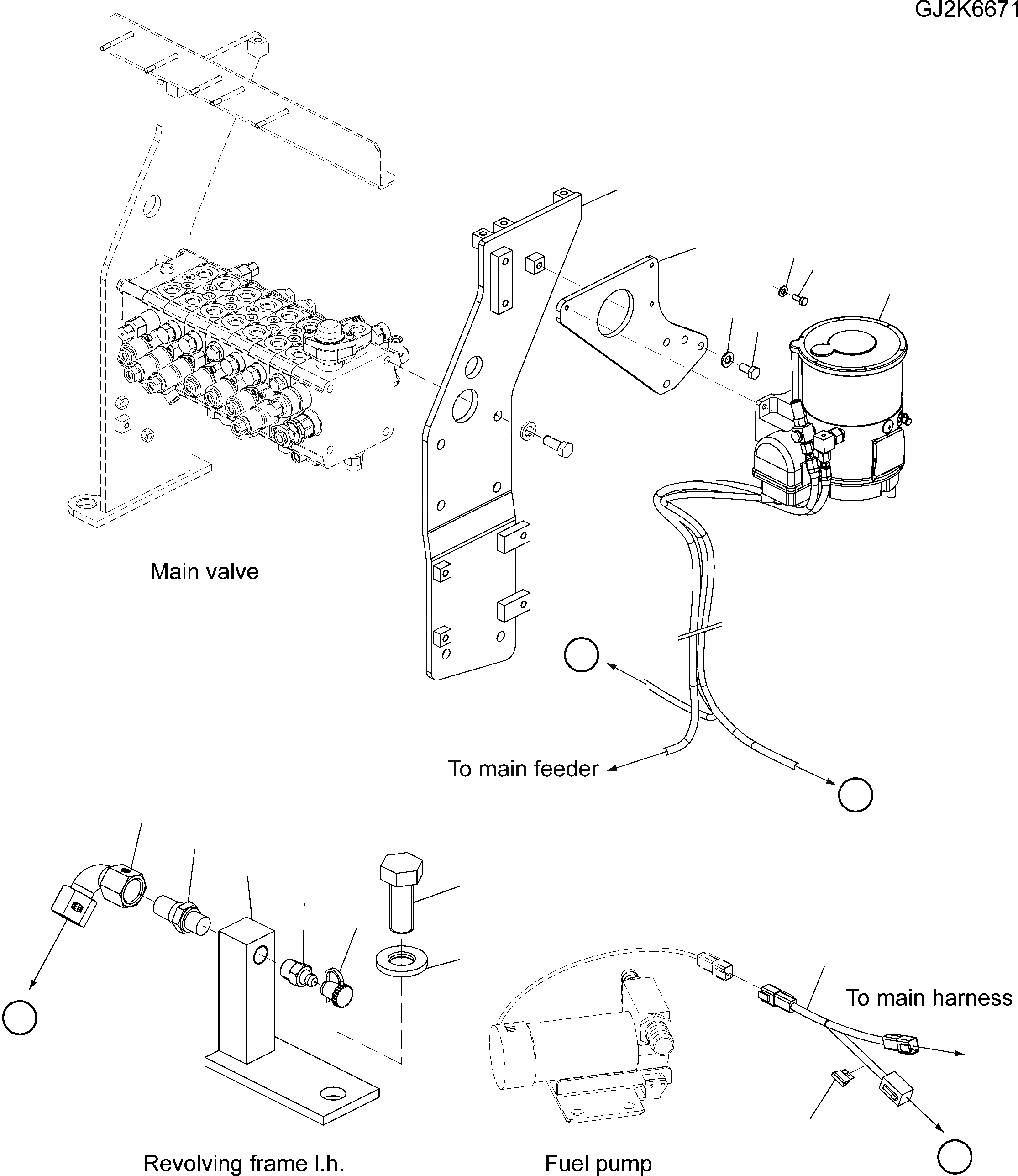
АВТОМАТИЧ. СМАЗ. - НАСОС
№
Артикул
Название
Примечание
Количество
1
20J-62-H1120
BRACKET
2
20J-S95-H630
GREASE PUMP, (TWO-PIECE BOOM)
|$4
20J-S95-H690
GREASE PUMP, (ONE-PIECE BOOM)
|$5
419-S95-H420
WIRING HARNESS
|$6
42W-09-H5710
LUBRICATION HOSE, GREASING POINT TO PUMP
|$7
42W-09-H5300
LUBRICATION HOSE, PUMP TO MAIN FEEDER
3
20J-S95-H471
PLATE
4
01010-81225
BOLT
5
01643-31232
WASHER
6
01010-80820
7
01643-30823
8
20J-S95-H681
9
01010-81230
10
11
421-09-H3870
FITTING
12
42W-09-H3350
CAP
13
42W-09-H2880
UNION
14
42W-09-H3330
ELBOW
15
20E-S95-H450
16
08041-00500
FUSE, 5A
Выбрано товаров: 0