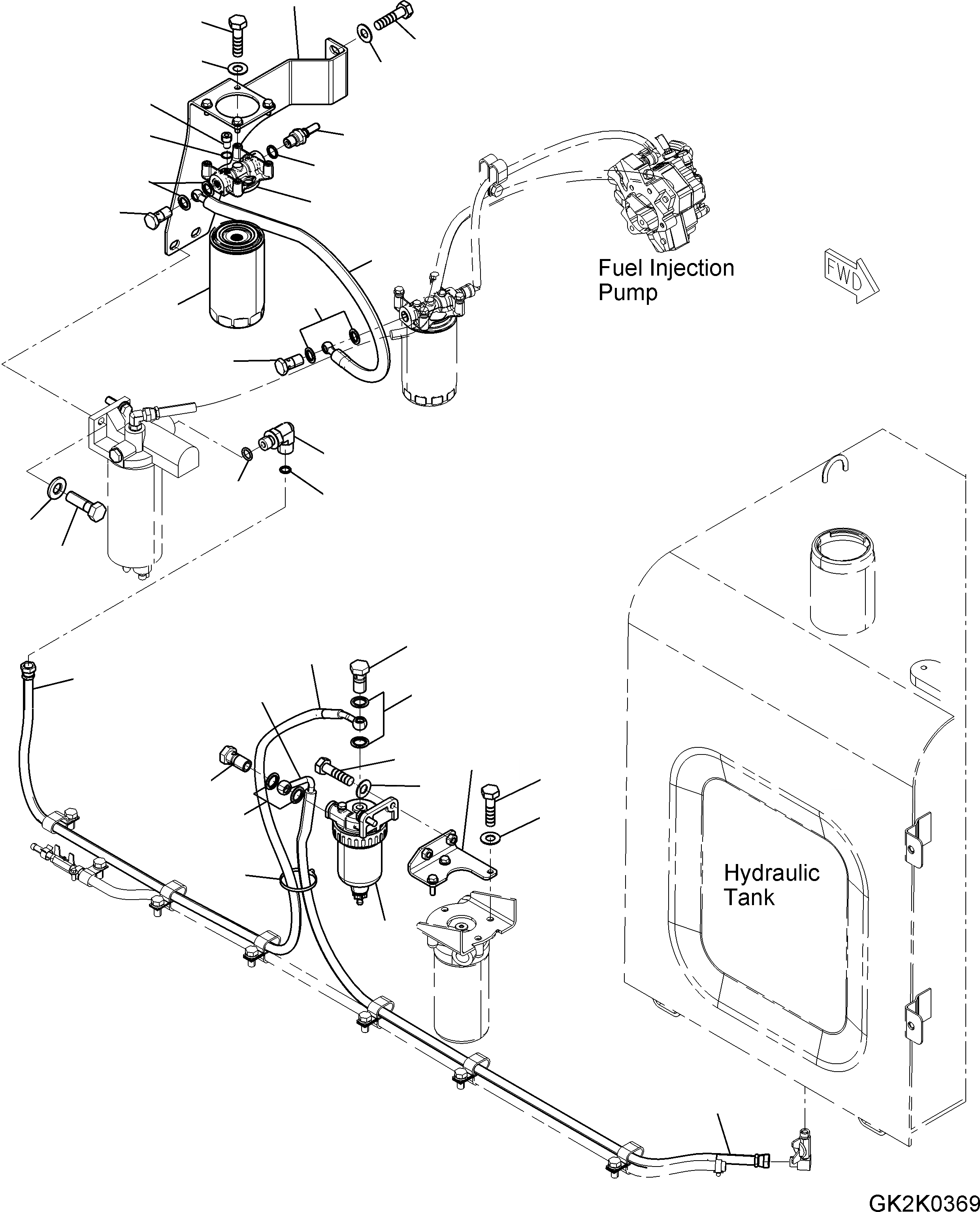
Запчасти Komatsu PW180-7E0 ПЛОХ. ТОПЛИВО КОМПЛЕКТ X СПЕЦ. ОПЦИИS

Схема запчастей Komatsu PW180-7E0 - ПЛОХ. ТОПЛИВО КОМПЛЕКТ X СПЕЦ. ОПЦИИS
16
25
26
19
20
24
23
27
30
28
21
31
29
30
22
31
13
14
15
18
17
12
10
10
7
11
1
5
2
6
9
3
8
32
4
7
FIT
1:1
100%

Артикул

Название

Примечание

Количество

1

20J-04-11350

BRACKET

2

01016-50830

BOLT

3

01643-30823

WASHER

4

600-311-9732

WATER SEPARATOR

5

01016-51030

BOLT

6

01643-31032

WASHER

7

20J-04-11330

HOSE

8

07005-01412

WASHER, SEAL

9

07206-31014

JOINT, BOLT

10

20J-04-11340

HOSE

11

07005-01412

WASHER, SEAL

12

07206-31014

JOINT, BOLT

13

02782-10311

ELBOW

14

07002-11423

O-RING

15

02896-11009

O-RING

16

20J-04-11361

BRACKET

17

01252-71240

BOLT

18

01643-51232

WASHER

19

01010-81225

BOLT

20

01643-31232

WASHER

21

6754-71-6340

FILTER, HEAD

22

6754-79-6140

CARTRIDGE

23

6215-81-9710

O-RING

24

6215-81-9510

PLUG

25

01010-80820

BOLT

26

01643-30823

WASHER

27

6754-71-5340

CONNECTOR

28

6754-71-5350

WASHER

29

20J-04-11370

HOSE

30

07005-01212

WASHER, SEAL

31

6732-71-6510

JOINT, BOLT

32

08034-00519

BAND

Выбрано товаров: 32