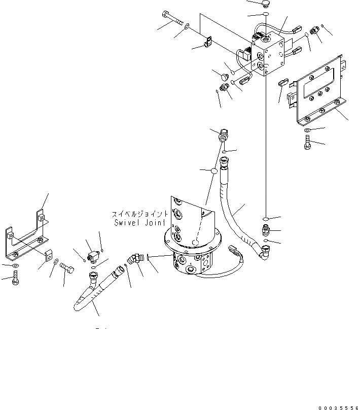
Запчасти Komatsu PW180-7K ПОВОРОТНОЕ СОЕДИНЕНИЕ (PBOR СОЛЕНОИД ЛИНИЯ) ПОВОРОТН. КРУГ И КОМПОНЕНТЫ

Схема запчастей Komatsu PW180-7K - ПОВОРОТНОЕ СОЕДИНЕНИЕ (PBOR СОЛЕНОИД ЛИНИЯ) ПОВОРОТН. КРУГ И КОМПОНЕНТЫ
1
2
3
4
5
6
7
8
9
9
10
10
11
11
12
13
14
15
16
17
18
19
20
21
22
23
24
25
26
26
27
28
29
30
31
32
33
34
35
FIT
1:1
100%

Артикул

Название

Примечание

Количество

1

20J-62-12390

BRACKET

2

01010-81245

BOLT

3

01643-31232

WASHER

4

20J-60-11440

SOLENOID ASSEMBLY

5

01010-81095

BOLT

6

01643-31032

WASHER

7

07040-12012

PLUG

8

07002-62034

O-RING

9

02781-00313

UNION

10

02896-11009

O-RING

11

07002-11823

O-RING

12

07040-11812

PLUG

13

07002-11823

O-RING

14

02781-00516

UNION

15

02896-61015

O-RING

16

07002-62034

O-RING

17

02778-00506

HOSE

18

02782-10522

ELBOW

19

02896-61015

O-RING

20

07002-62434

O-RING

21

02783-10522

ELBOW

22

02896-61015

O-RING

23

07002-62434

O-RING

24

02778-005A5

HOSE

25

20J-62-12530

TEE

26

02896-11009

O-RING

27

02896-61015

O-RING

28

20J-47-11340

BRACKET

29

01010-81245

BOLT

30

01643-31232

WASHER

31

20J-62-11970

CLAMP

32

01010-81025

BOLT

33

01643-31032

WASHER

34

08192-12100

CONNECTOR

35

04434-51512

CLIP

Выбрано товаров: 35