Запчасти Komatsu PW200-1 СТОЯНОЧНЫЙ ТОРМОЗ НИЖНЯЯ ГИДРОЛИНИЯ И ЛИНИЯ ХОДА

Схема запчастей Komatsu PW200-1 - СТОЯНОЧНЫЙ ТОРМОЗ НИЖНЯЯ ГИДРОЛИНИЯ И ЛИНИЯ ХОДА
FIT
1:1
100%

Артикул

Название

Примечание

Количество

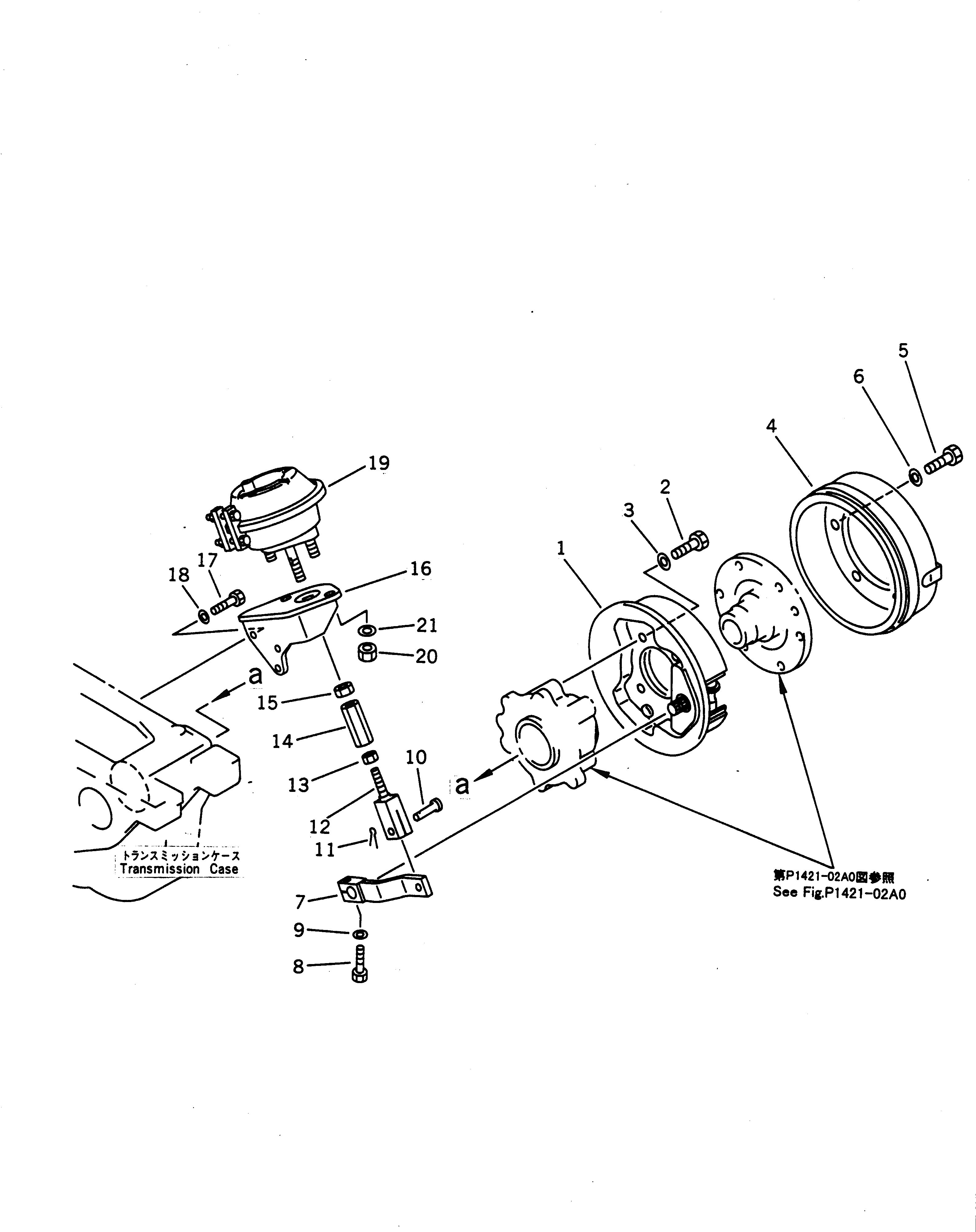
1

22W-34-11101

BRAKE ASS'Y,CENTER

|1

22W-34-11510

SHOE ASS'Y,BRAKE

2

01090-51435

BOLT

3

01643-31445

WASHER

4

22W-34-11120

DRUM

5

01090-51435

BOLT

6

01643-31445

WASHER

7

20K-34-11111

LEVER

8

01010-81040

BOLT

|8

01010-51040

BOLT

9

01643-31032

WASHER

10

04205-11438

PIN

11

04050-14022

PIN,COTTER

12

20K-34-11121

ROD

13

01508-21408

NUT

14

20K-34-11140

BUCKLE,TURN

15

01583-11610

NUT

16

20K-34-11131

BRACKET

17

01010-81030

BOLT

|17

01010-51030

BOLT

18

01643-31032

WASHER

19

20K-34-11150

CHAMBER

20

01582-11613

NUT

21

01643-31645

WASHER

Выбрано товаров: 24