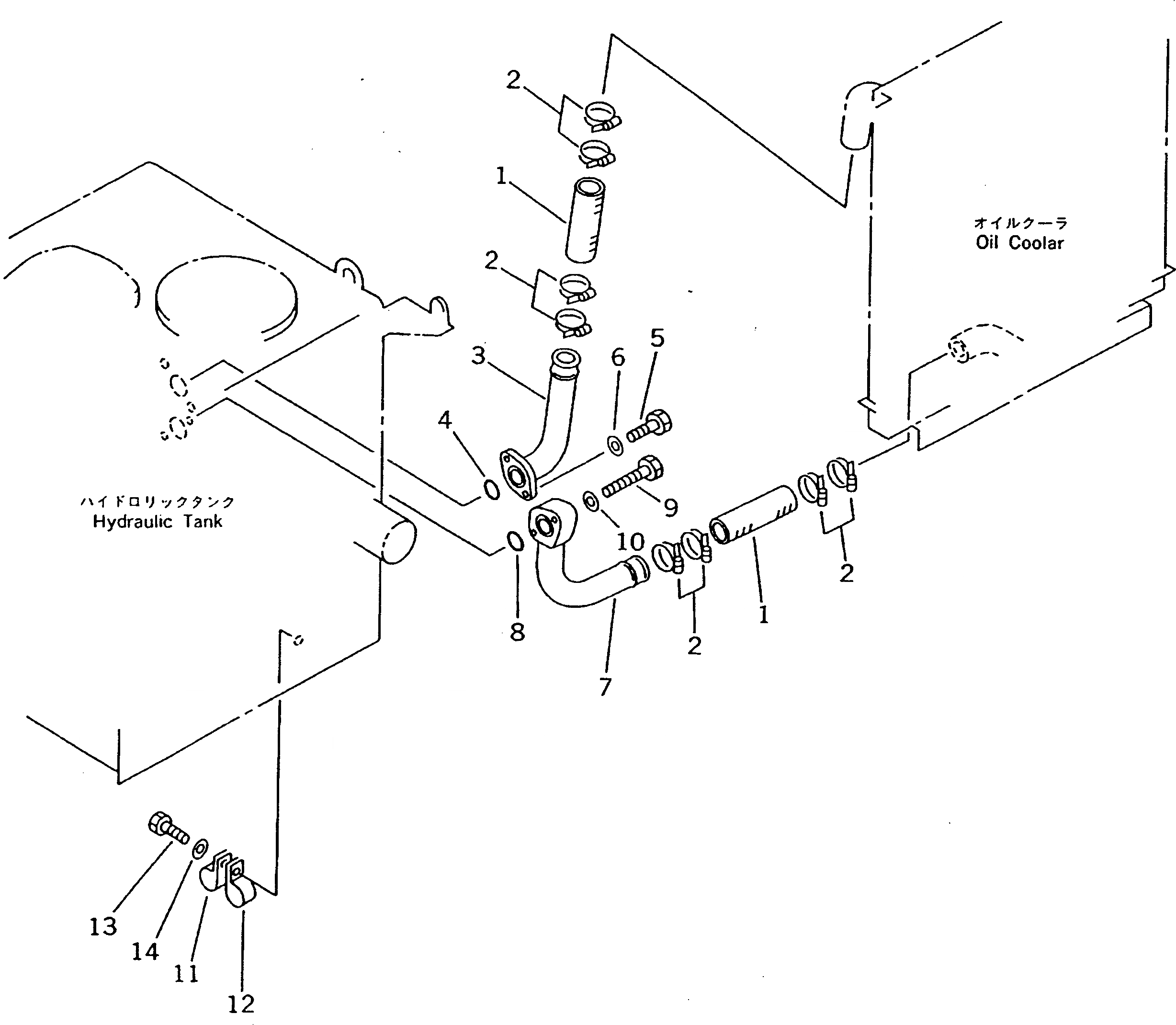
Запчасти Komatsu PW200-1 ГИДРОЛИНИЯ (БАК TO/FROM МАСЛООХЛАДИТЕЛЬ) ГИДРАВЛИКА

Схема запчастей Komatsu PW200-1 - ГИДРОЛИНИЯ (БАК TO/FROM МАСЛООХЛАДИТЕЛЬ) ГИДРАВЛИКА
FIT
1:1
100%

Артикул

Название

Примечание

Количество

1

205-62-68330

HOSE

2

07289-00055

CLAMP

|2

208-09-11110

CLAMP

3

205-62-71913

TUBE

|3

205-62-71912

TUBE

4

07000-12065

O-RING

|4

07000-02065

O-RING

5

01010-81035

BOLT

|5

01010-51035

BOLT

6

01643-31032

WASHER

7

205-62-71923

TUBE

|7

205-62-71922

TUBE

8

07000-12065

O-RING

|8

07000-02065

O-RING

9

01010-81070

BOLT

|9

01010-51070

BOLT

10

01643-31032

WASHER

11

08036-02514

CLIP

12

08036-03014

CLIP

13

01010-81220

BOLT

|13

01010-51220

BOLT

14

01643-31232

WASHER

Выбрано товаров: 22