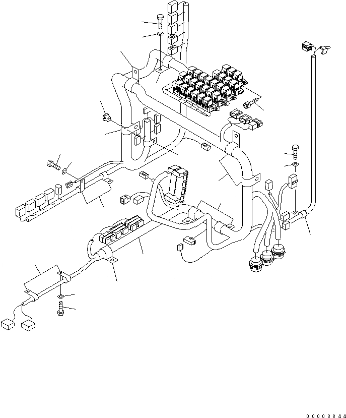
Запчасти Komatsu PW200-7 OPERATORґS КАБИНА Э/ПРОВОДКА K OPERATORґS ОБСТАНОВКА И СИСТЕМА УПРАВЛЕНИЯ

Схема запчастей Komatsu PW200-7 - OPERATORґS КАБИНА Э/ПРОВОДКА K OPERATORґS ОБСТАНОВКА И СИСТЕМА УПРАВЛЕНИЯ
14
13
3
4
11
12
1
10
6
5
12
11
9
8
2
9
8
5
7
15
5
FIT
1:1
100%

Артикул

Название

Примечание

Количество

1

20K-06-31252

WIRING HARNESS

|$3

20K-06-32230

BOX

|$27

283-06-16160

PIN

|$4

20K-06-32130

RELAY

|$5

08041-00500

FUSE, 5A

|$6

08041-01000

FUSE, 10A

|$7

08041-01500

FUSE, 15A

|$8

08041-02000

FUSE, 20A

|$9

08041-02500

FUSE, 25A

|$10

08041-03000

FUSE, 30A

|$11

08020-10000

DIODE

|$12

08020-30000

DIODE

2

01252-60512

BOLT

3

01643-31032

WASHER

4

01010-81016

BOLT

5

04434-53411

CLIP

6

04434-52310

CLIP

7

04434-52711

CLIP

8

01643-31032

WASHER

9

01010-81020

BOLT

10

04434-52511

CLIP

11

04434-51810

CLIP

12

04434-53211

CLIP

13

01643-31032

WASHER

14

01010-81016

BOLT

15

20K-06-32110

CLIP

Выбрано товаров: 26