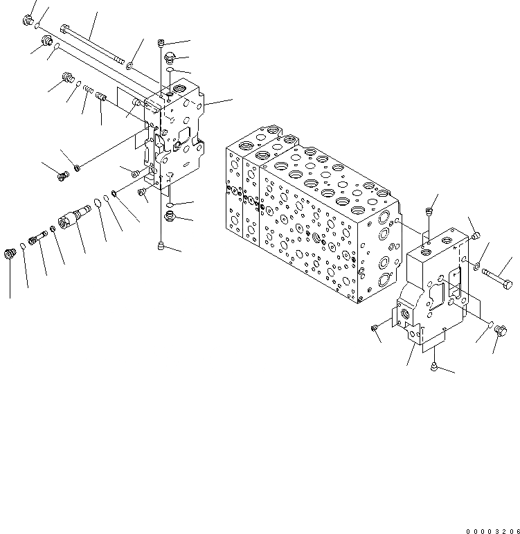
Запчасти Komatsu PW200-7 ОСНОВН. КЛАПАН (8-СЕКЦИОНН.) (7/) (ДЛЯ TWO-ЧАСТИ СТРЕЛА) Y ОСНОВН. КОМПОНЕНТЫ И РЕМКОМПЛЕКТЫ

Схема запчастей Komatsu PW200-7 - ОСНОВН. КЛАПАН (8-СЕКЦИОНН.) (7/) (ДЛЯ TWO-ЧАСТИ СТРЕЛА) Y ОСНОВН. КОМПОНЕНТЫ И РЕМКОМПЛЕКТЫ
8
9
26
25
2
6
7
1
6
7
22
23
21
20
2
19
18
16
17
11
12
10
13
14
15
2
7
6
2
5
5
25
24
5
4
5
7
6
3
FIT
1:1
100%

Артикул

Название

Примечание

Количество

|$1

723-48-21101

VALVE ASSEMBLY

|$3

723-46-00750

COVER ASSEMBLY

1

COVER

2

PLUG

3

PLUG

|$7

723-46-00742

COVER ASSEMBLY

4

COVER

5

PLUG

6

708-8E-16250

PLUG

7

07002-11823

O-RING

8

708-8H-11530

PLUG

9

07002-11423

O-RING

|$14

723-46-17600

PLUG ASSEMBLY

10

723-46-17610

SLEEVE

11

723-46-17640

PLUG

12

702-21-55760

FILTER

13

07002-11423

O-RING

14

07000-11007

O-RING

15

07001-01007

RING

16

708-8E-16160

PLUG

17

07002-11023

O-RING

18

723-40-82220

FILTER

19

723-46-17550

PLUG

20

723-46-15190

VALVE

21

723-46-14140

SPRING

22

708-8E-16160

PLUG

23

07002-11023

O-RING

24

01010-61490

BOLT

25

01643-31445

WASHER

26

723-46-15220

BOLT

Выбрано товаров: 0