Запчасти Komatsu PW200-7E0 ЭЛЕКТРОПРОВОДКА (ОСНОВН. Э/ПРОВОДКА) E ЭЛЕКТРИКА

Схема запчастей Komatsu PW200-7E0 - ЭЛЕКТРОПРОВОДКА (ОСНОВН. Э/ПРОВОДКА) E ЭЛЕКТРИКА
19
15
15
15
10
10
16
22
1
19
18
7
26
12
14
15
23
18
11
15
25
2
8
14
10
10
21
15
15
2
20
9
14
24
15
10
20
22
10
3
15
5
15
18
16
4
6
16
10
10
2
13
15
17
10
16
2
19
10
15
19
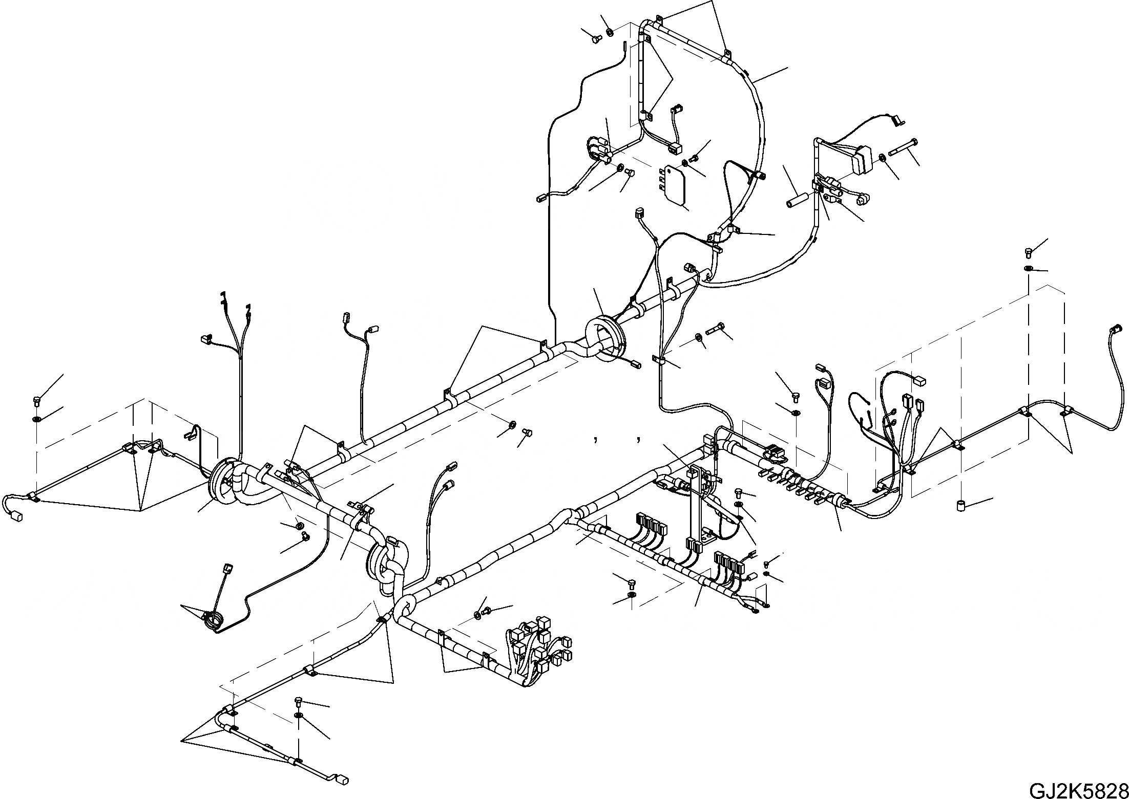
FIT
1:1
100%

Артикул

Название

Примечание

Количество

1

20K-06-32951

MACHINE HARNESS

2

113-899-7950

CLIP

3

195-33-11220

SPACER

4

208-06-19170

CLIP

5

208-62-65110

GROMMET

6

01010-80812

BOLT

7

01010-81020

BOLT

8

01010-81025

BOLT

9

01010-81030

BOLT

10

01010-81220

BOLT

11

01010-81250

BOLT

12

01011-81210

BOLT

13

01643-30823

WASHER

14

01643-31032

WASHER

15

01643-31232

WASHER

16

04434-52112

CLIP

17

08034-00519

BAND

18

08036-01214

CLIP

19

08036-01414

CLIP

20

08036-01814

CLIP

21

08052-41311

CLIP

22

08193-21012

CLIP

23

20K-06-32970

BRACKET

24

20K-46-33580

BRACKET

25

20K-62-36080

GROMMET

26

22S-62-26210

SPACER

Выбрано товаров: 26