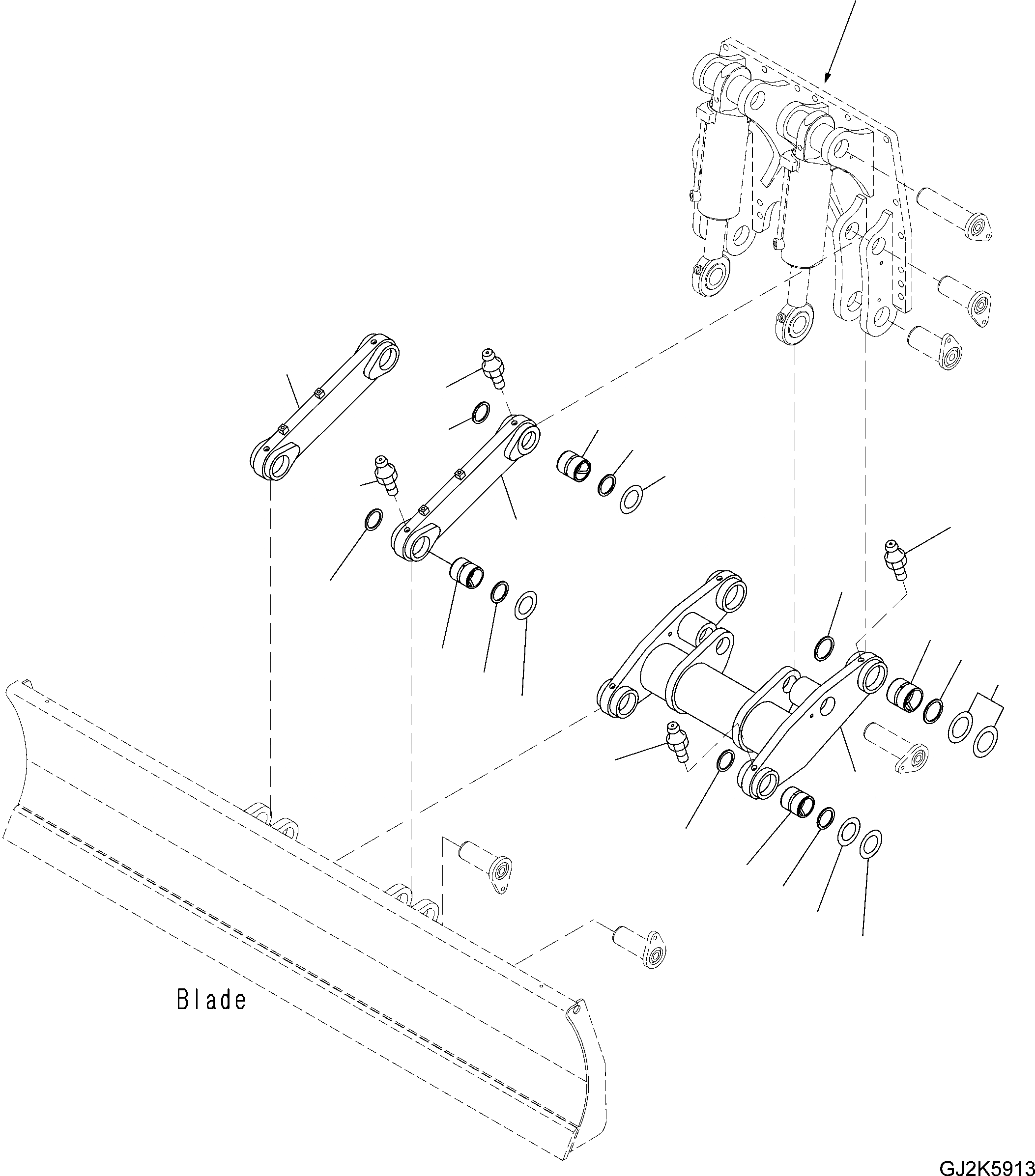
Запчасти Komatsu PW200-7E0 PARALLEL СОЕДИНИТЕЛЬН. ЗВЕНО (ДЛЯ ПЕРЕДН. PARALLEL СОЕДИНИТЕЛЬН. ЗВЕНО DOZER) S ПОДВЕСКА И КОЛЕСА

Схема запчастей Komatsu PW200-7E0 - PARALLEL СОЕДИНИТЕЛЬН. ЗВЕНО (ДЛЯ ПЕРЕДН. PARALLEL СОЕДИНИТЕЛЬН. ЗВЕНО DOZER) S ПОДВЕСКА И КОЛЕСА
7
10
8
9
9
11
10
6
7
5
9
3
5
8
13
9
11
6
1
4
2
4
11
12
SEE FIG. S0510-01A0
FIT
1:1
100%

Артикул

Название

Примечание

Количество

1

20K-910-3333

LINK

2

20K-910-3472

BUSHING

3

20K-910-4280

BUSHING

4

07145-00060

SEAL, DUST

5

07145-00070

SEAL

6

07020-00000

FITTING

7

20K-910-3453

LINK

8

20K-910-3472

BUSHING

9

07145-00060

SEAL, DUST

10

07020-00000

FITTING

11

20K-910-4360

SPACER, 1.0MM

12

20K-910-4370

SPACER, 2.0MM

13

20K-910-4380

SPACER, 1.0MM

|$16

20K-910-4390

SPACER, 2.0MM

Выбрано товаров: 14