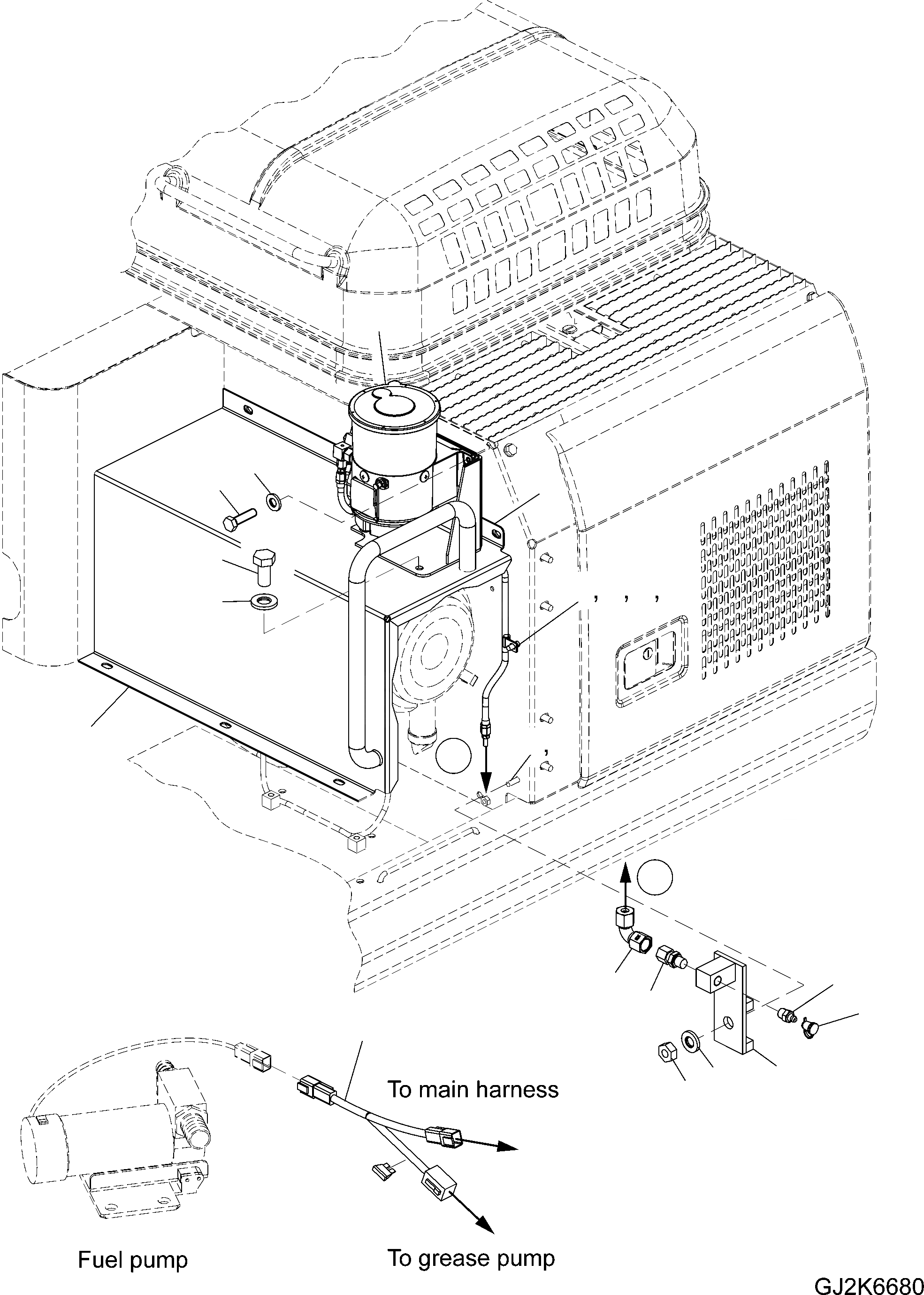
Запчасти Komatsu PW200-7E0 АВТОМАТИЧ. СМАЗ. - НАСОС W РАЗНОЕ

Схема запчастей Komatsu PW200-7E0 - АВТОМАТИЧ. СМАЗ. - НАСОС W РАЗНОЕ
a
a
13
2
1
10
5
3
4
7
9
6
12
3
4
15
17
16
18
11
8
14
7
FIT
1:1
100%

Артикул

Название

Примечание

Количество

1

01016-80825

BOLT

2

01643-30823

WASHER

3

01016-51030

BOLT

4

01643-31032

WASHER

5

01010-81225

BOLT

6

01643-31232

WASHER

7

01580-01008

NUT

8

01643-31032

WASHER

9

04434-51010

CLIP

10

20E-S95-H361

PLATE

11

20E-S95-H450

WIRING HARNESS

12

20K-S95-H330

COVER

13

20K-S95-H520

GREASE PUMP

|$20

42W-09-H5700

WIRING HARNESS

|$21

42W-09-H5270

HOSE, GREASING POINT TO PUMP

|$22

42W-09-H5300

HOSE, PUMP TO MAIN FEEDER

14

20K-S95-H530

BRACKET

15

421-09-H3870

NIPPLE

16

42W-09-H2880

UNION

17

42W-09-H3330

ELBOW

18

42W-09-H3350

CAP

|$19

08034-20536

BAND

Выбрано товаров: 22