Запчасти Komatsu PW200-7E0 ОСНОВН. КЛАПАН (9-СЕКЦИОНН.) (/) (ДЛЯ TWO-ЧАСТИ СТРЕЛА) Y ОСНОВН. КОМПОНЕНТЫ И РЕМКОМПЛЕКТЫ

Схема запчастей Komatsu PW200-7E0 - ОСНОВН. КЛАПАН (9-СЕКЦИОНН.) (/) (ДЛЯ TWO-ЧАСТИ СТРЕЛА) Y ОСНОВН. КОМПОНЕНТЫ И РЕМКОМПЛЕКТЫ
3
2
7
14
6
8
8
3
2
14
1
7
1
5
5
14
14
9
8
2
3
7
6
9
8
6
7
8
3
2
14
15
16
4
15
16
4
11
12
13
10
12
10
14
FIT
1:1
100%

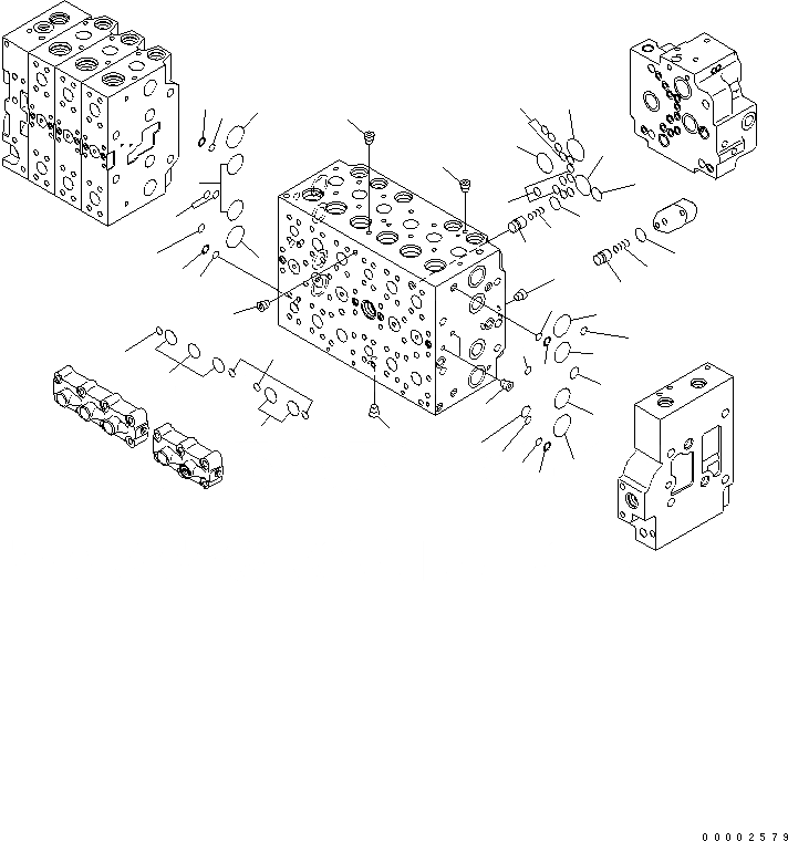
Артикул

Название

Примечание

Количество

|$1

723-49-21101

VALVE ASSEMBLY

|$3

BODY SUB ASSEMBLY

1

07000-12012

O-RING

2

723-11-19130

O-RING

3

723-46-17520

RING

4

07000-12021

O-RING

5

07000-13028

O-RING

6

07000-13032

O-RING

7

723-46-17510

O-RING

8

723-46-17530

O-RING

9

723-11-18150

O-RING

10

07000-12012

O-RING

11

07000-12021

O-RING

12

07000-13032

O-RING

13

07000-13036

O-RING

14

PLUG

15

723-46-15150

VALVE

16

723-46-14150

SPRING

Выбрано товаров: 18