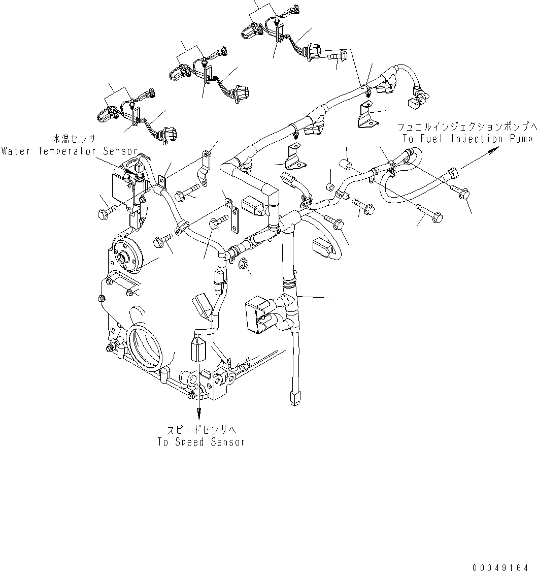
Запчасти Komatsu PW200-7E0 ПРОВОДКА AA ДВИГАТЕЛЬ

Схема запчастей Komatsu PW200-7E0 - ПРОВОДКА AA ДВИГАТЕЛЬ
3
3
3
1
2
1
5
14
13
12
6
8
10
7
9
15
4
11
17
18
20
16
13
19
2
1
21
2
22
FIT
1:1
100%

Артикул

Название

Примечание

Количество

1

6754-81-9210

HARNESS,WIRING

2

6754-81-9220

CLIP,WIRE RETAINING

3

6754-81-9230

CLIP,WIRE RETAINING

4

6754-81-9310

HARNESS,ETR CNT MDL WRG

5

6732-21-4180

BOLT

6

6162-23-5770

SPACER

7

6732-61-6140

SCREW,HEX FLANGE HEAD CAP

8

6754-81-9330

SPACER,MOUNTING

9

6731-61-1370

SCREW,HEX FLANGE HEAD CAP

10

6216-74-6180

SCREW,HEX FLANGE HEAD CAP

11

01584-00605

NUT

12

6754-71-5330

CLIP

13

6754-81-9340

BRACKET

14

6754-81-9230

CLIP,WIRE RETAINING

15

6736-81-5110

BOLT

16

6754-81-9280

BRACKET

17

6732-21-3120

BOLT

18

6733-71-5680

BOLT

19

6754-81-9270

BRACKET

20

6754-81-9390

BOLT

21

04434-51308

CLIP

22

6216-74-6180

SCREW,HEX FLANGE HEAD CAP

Выбрано товаров: 22