Запчасти Komatsu PW210-1 ЭЛЕКТРИКА (С КОНДИЦИОНЕРОМ)(№-) КАБИНА ОПЕРАТОРА И СИСТЕМА УПРАВЛЕНИЯ

Схема запчастей Komatsu PW210-1 - ЭЛЕКТРИКА (С КОНДИЦИОНЕРОМ)(№-) КАБИНА ОПЕРАТОРА И СИСТЕМА УПРАВЛЕНИЯ
FIT
1:1
100%

Артикул

Название

Примечание

Количество

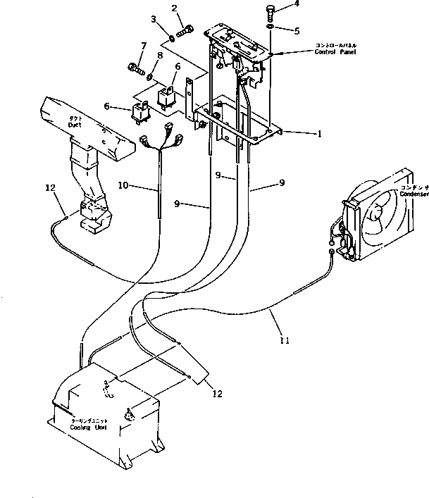
1

20K-979-1130

BRACKET

2

01010-50816

BOLT

3

01643-30823

WASHER

4

01010-50816

BOLT

5

01643-30823

WASHER

6

205-979-6460

RELAY ASS'Y

7

01010-50816

BOLT

8

01643-30823

WASHER

9

205-979-1170

CABLE,MODE SELECT

10

205-979-1330

WIRING HARNESS

11

205-979-1340

WIRING HARNESS

12

195-979-4160

BUSHING

Выбрано товаров: 12