Запчасти Komatsu PW210-1 WRIST УПРАВЛ-Е И СТОЙКА¤ ЛЕВ. (/) КАБИНА ОПЕРАТОРА И СИСТЕМА УПРАВЛЕНИЯ

Схема запчастей Komatsu PW210-1 - WRIST УПРАВЛ-Е И СТОЙКА¤ ЛЕВ. (/) КАБИНА ОПЕРАТОРА И СИСТЕМА УПРАВЛЕНИЯ
FIT
1:1
100%

Артикул

Название

Примечание

Количество

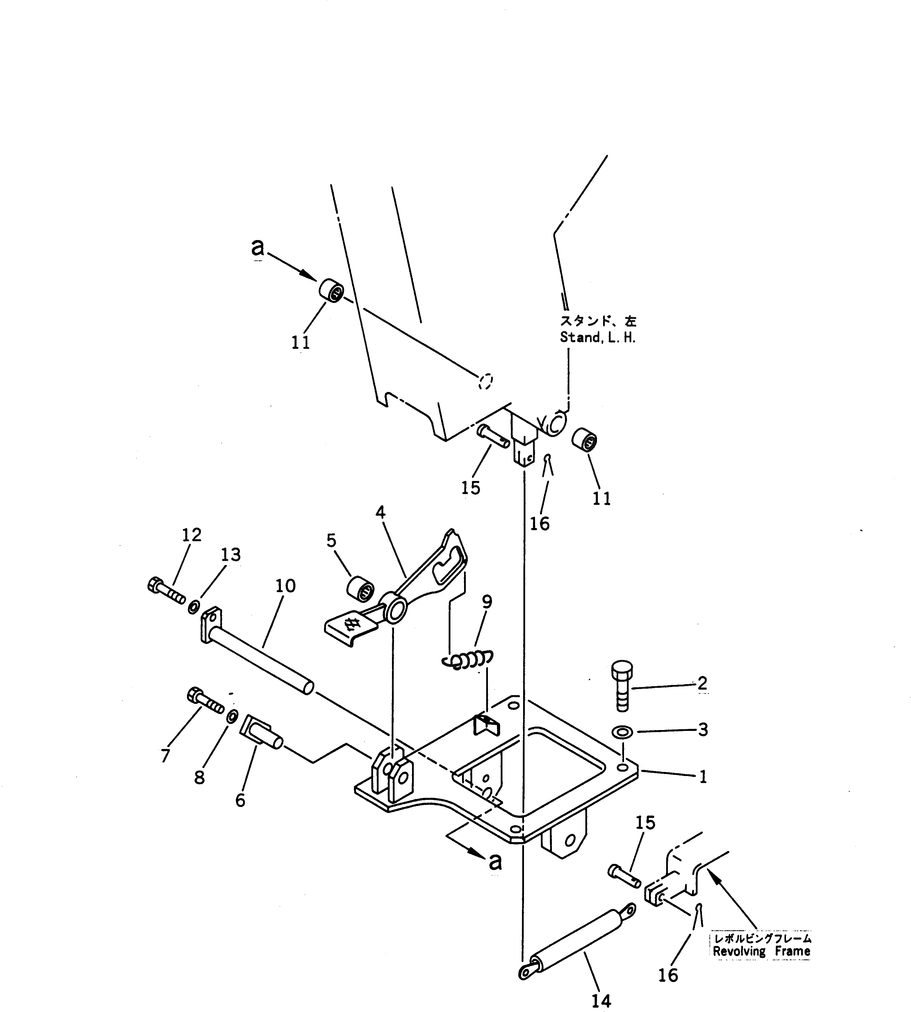
1

20K-43-11180

BRACKET

2

01010-81225

BOLT

2

01010-51225

BOLT

3

01643-31232

WASHER

4

20K-43-11210

LEVER

5

195-61-34120

BEARING

6

20K-43-11320

SHAFT

7

01010-80812

BOLT

7

01010-50812

BOLT

8

01643-30823

WASHER

9

362-43-21270

SPRING

10

20K-43-11260

SHAFT

11

195-61-34120

BEARING

12

01010-80812

BOLT

12

01010-50812

BOLT

13

01643-30823

WASHER

14

20G-54-13210

SPRING,GAS

15

04205-10822

PIN

16

04050-12015

PIN,COTTER

Выбрано товаров: 19