Запчасти Komatsu PW210-1 ПАНЕЛЬ ПРИБОРОВ (ЭЛЕКТРОПРОВОДКА) (С ГРОМКОГОВОРИТЕЛЕМ) КАБИНА ОПЕРАТОРА И СИСТЕМА УПРАВЛЕНИЯ

Схема запчастей Komatsu PW210-1 - ПАНЕЛЬ ПРИБОРОВ (ЭЛЕКТРОПРОВОДКА) (С ГРОМКОГОВОРИТЕЛЕМ) КАБИНА ОПЕРАТОРА И СИСТЕМА УПРАВЛЕНИЯ
FIT
1:1
100%

Артикул

Название

Примечание

Количество

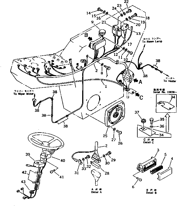
1

08604-45043

CABLE,TACHOMETER(SEE FIG.E0200-03A0)

2

20K-06-11211

WIRING HARNESS

3

195-Z11-2280

BODY

4

195-Z11-2290

COVER

5

205-06-73180

FUSE, 15A

6

01220-40616

SCREW

7

01010-80614

BOLT

7

01010-50614

BOLT

8

01643-30623

WASHER

9

175-06-51210

BUZZER

10

01220-40612

SCREW

11

01602-20619

WASHER,SPRING

12

01640-20610

WASHER

13

206-06-41131

RELAY

13

206-06-41130

RELAY

14

01220-40616

SCREW

15

01602-20619

WASHER,SPRING

16

01643-30623

WASHER

17

20G-06-12510

FLASHER

18

01220-40616

SCREW

19

01602-20619

WASHER,SPRING

20

01643-30623

WASHER

21

08077-22401

FLASHER

22

01220-40616

SCREW

23

01602-20619

WASHER,SPRING

24

01643-30623

WASHER

25

20G-06-15120

SPEAKER,SPEAKER

26

01220-40420

SCREW

27

01641-20405

WASHER

28

142-06-13530

CLIP

29

01010-81220

BOLT

29

01010-51220

BOLT

30

01643-31232

WASHER

31

195-06-41830

CLIP

31

08036-02514

CLIP

32

01010-81220

BOLT

32

01010-51220

BOLT

33

01643-31232

WASHER

34

205-06-72211

COVER

35

01010-81025

BOLT

35

01010-51025

BOLT

36

01643-31032

WASHER

37

205-06-72410

GROMMET

38

205-54-72710

CLIP

39

20G-06-12350

SWITCH ASS'Y

40

20G-06-19940

SWITCH

41

01220-40430

SCREW

42

362-43-15360

BAND

43

08037-03620

GROMMET

43

201-43-28440

GROMMET

Выбрано товаров: 50