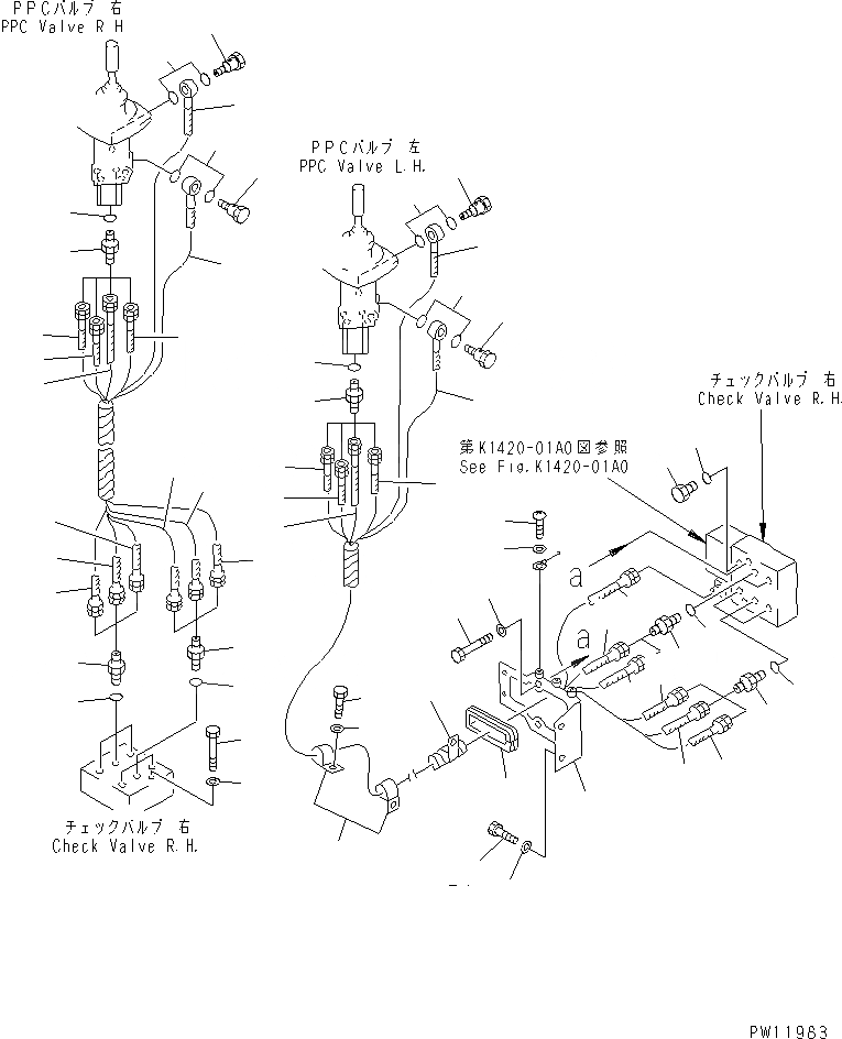
Запчасти Komatsu PW210-1 КЛАПАН PPCТРУБЫ (/) КАБИНА ОПЕРАТОРА И СИСТЕМА УПРАВЛЕНИЯ

Схема запчастей Komatsu PW210-1 - КЛАПАН PPCТРУБЫ (/) КАБИНА ОПЕРАТОРА И СИСТЕМА УПРАВЛЕНИЯ
1
1
2
2
3
3
4
4
5
5
6
6
7
7
8
8
9
9
10
10
11
11
12
12
13
13
13
13
14
14
14
14
15
15
16
16
17
17
17
17
18
18
18
18
19
19
20
20
21
22
23
23
24
25
26
27
28
29
30
31
FIT
1:1
100%

Артикул

Название

Примечание

Количество

|$1

20K-62-15330

HOSE ASS'Y

1

20K-62-12190

HOSE,(BLUE)

2

20K-62-12190

HOSE,(RED)

3

205-62-71780

HOSE,(WHITE)

4

205-62-71780

HOSE,(BLACK)

5

205-62-71780

HOSE,(GREEN)

6

205-62-71780

HOSE,(YELLOW)

|$8

205-62-74160

HOSE ASS'Y

7

205-62-71640

HOSE,(BLUE)

8

205-62-71640

HOSE,(RED)

9

205-62-71630

HOSE,(WHITE)

10

205-62-71630

HOSE,(BRACK)

11

205-62-71630

HOSE,(GREEN)

12

205-62-71630

HOSE,(YELLOW)

13

706-46-56290

BOLT,EYE

14

07000-12018

O-RING

14

07000-02018

O-RING

15

07230-20210

UNION

15

07230-10210

UNION

16

07002-01423

O-RING

17

07230-20210

UNION

17

07230-10210

UNION

18

07002-01423

O-RING

19

01010-81070

BOLT

19

01010-51070

BOLT

20

01643-31032

WASHER

21

07040-11409

PLUG

22

07002-01423

O-RING

23

21T-06-11950

CLIP

24

01010-81225

BOLT

24

01010-51225

BOLT

25

01643-31232

WASHER

26

20K-62-15280

BRACKET

27

01010-81230

BOLT

27

01010-51230

BOLT

28

01643-31032

WASHER

29

207-62-56290

GROMMET

29

205-62-74670

GROMMET

30

01220-40608

SCREW

31

01643-30623

WASHER

Выбрано товаров: 40