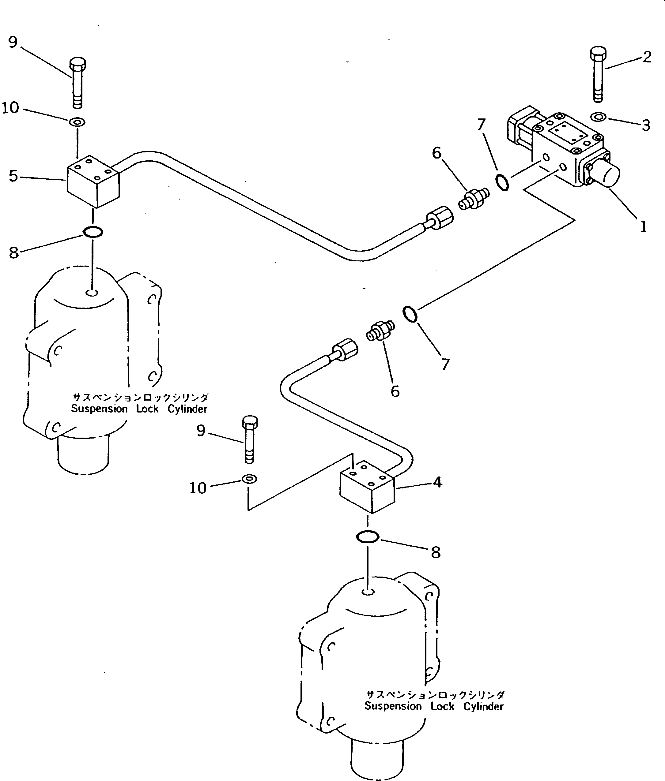
Запчасти Komatsu PW210-1 ПОДВЕСКА БЛОКИР. СИСТЕМА ТРУБ ЦИЛИНДРА (/)(№7-) ХОДОВАЯ

Схема запчастей Komatsu PW210-1 - ПОДВЕСКА БЛОКИР. СИСТЕМА ТРУБ ЦИЛИНДРА (/)(№7-) ХОДОВАЯ
FIT
1:1
100%

Артикул

Название

Примечание

Количество

1

20K-60-12170

VALVE,LOCK

2

01010-80880

BOLT

2

01010-50880

BOLT

3

01643-30823

WASHER

4

20K-62-13161

TUBE

5

20K-62-13173

TUBE

5

20K-62-13171

TUBE

6

07230-20315

UNION

7

07002-12034

O-RING

8

07000-13025

O-RING

9

01010-80855

BOLT

9

01010-50855

BOLT

10

01643-30823

WASHER

Выбрано товаров: 13