Запчасти Komatsu PW210-1 МАРКИРОВКА (КАБИНА) (АНГЛ.)(№8-) МАРКИРОВКА

Схема запчастей Komatsu PW210-1 - МАРКИРОВКА (КАБИНА) (АНГЛ.)(№8-) МАРКИРОВКА
FIT
1:1
100%

Артикул

Название

Примечание

Количество

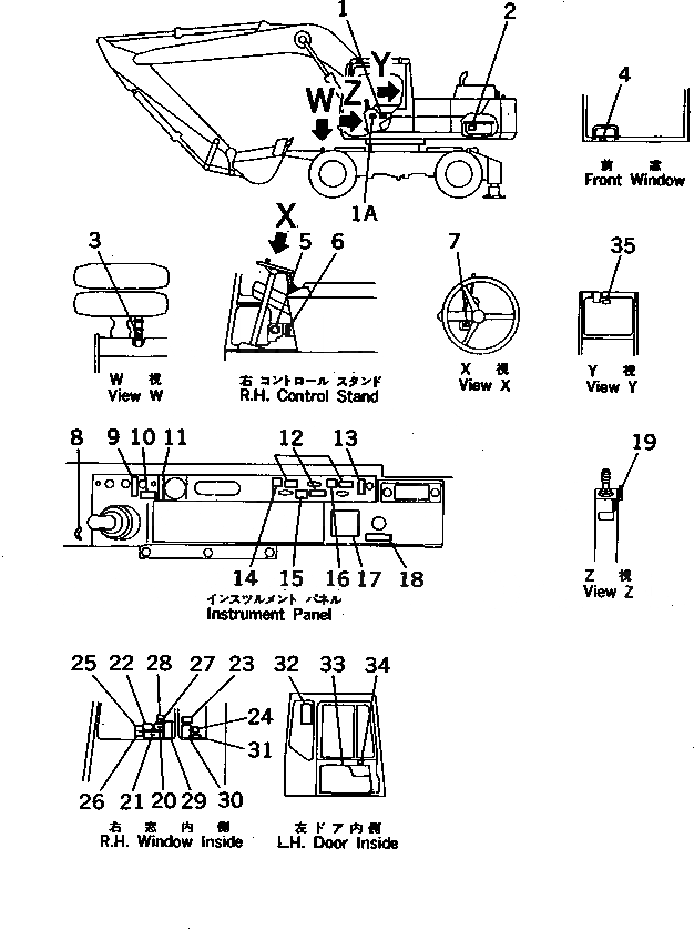
1

20K-00-11190

PLATE, OPERATING

1A

20D-910-4320

PLATE, OPERATING,(FOR BLADE)

2

208-00-11840

PLATE, CAUTION

3

20B-98-29180

PLATE, SAFETY

4

203-00-56230

PLATE, CAUTION

5

205-00-63750

PLATE, CAUTION

6

09685-00002

PLATE, OPERATING

7

20K-00-11210

PLATE, CAUTION

8

20K-00-11250

PLATE, OPERATING

9

205-00-71460

PLATE

10

09685-00001

PLATE, OPERATING

11

09683-30060

PLATE, OPERATING

12

09685-00002

PLATE, OPERATING

13

205-00-71450

PLATE

14

20G-00-11850

PLATE, OPERATING

15

20G-00-11870

PLATE, OPERATING

16

20G-00-11860

PLATE, OPERATING

17

20K-00-11530

PLATE, CAUTION

18

20G-00-11830

PLATE, OPERATING

19

09685-00002

PLATE, OPERATING

20

205-00-71820

PLATE

21

20G-00-11720

PLATE, OPERATING

22

20K-00-11540

PLATE, MARK

23

205-00-65490

PLATE, CAUTION

24

20K-00-11510

PLATE, CAUTION

25

20K-00-11520

PLATE, CAUTION

26

20K-00-11230

PLATE, CAUTION

27

205-00-76230

PLATE

28

09131-03000

PLATE, SAFETY

29

205-00-73380

PLATE, SAFETY

30

205-00-71570

PLATE, CAUTION

31

09152-03000

PLATE, SAFETY

32

20K-00-11150

PLATE, CAUTION

33

20K-00-11581

COVER

33

20Y-54-14560

CLIP ASS'Y

34

205-00-71340

PLATE, OPERATING

35

205-00-63350

PLATE, CAUTION

Выбрано товаров: 37