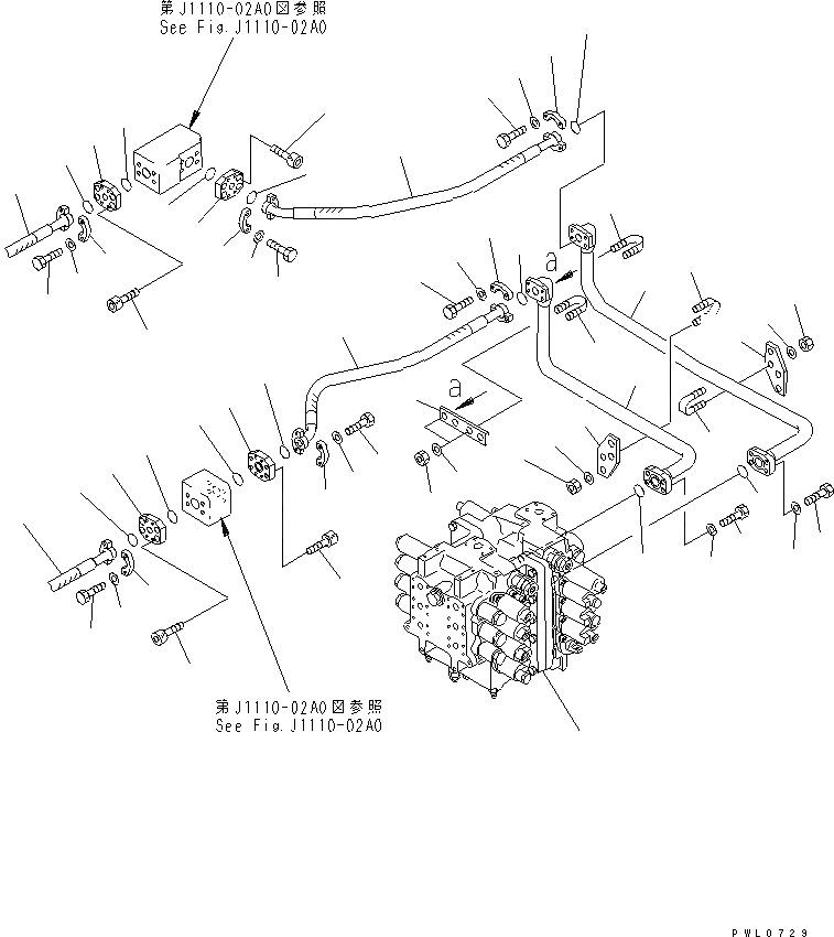
Запчасти Komatsu PW210-1 ДОПОЛН. ГИДРОЛИНИЯ (УПРАВЛЯЮЩ. КЛАПАН - CHANGE ROTOR) (ДЛЯ OFF-SETСТРЕЛА)(№-) ГИДРАВЛИКА

Схема запчастей Komatsu PW210-1 - ДОПОЛН. ГИДРОЛИНИЯ (УПРАВЛЯЮЩ. КЛАПАН - CHANGE ROTOR) (ДЛЯ OFF-SET  СТРЕЛА)(№-) ГИДРАВЛИКА
1
2
3
3
4
4
5
5
6
7
8
8
8
8
9
9
9
9
10
10
10
10
11
11
11
11
12
12
13
13
14
14
15
15
16
16
17
17
18
18
19
20
20
21
22
23
23
24
24
25
25
26
26
27
27
28
28
29
29
30
30
31
FIT
1:1
100%

Артикул

Название

Примечание

Количество

1

205-970-7410

TUBE

2

205-970-7420

TUBE

3

21T-09-11450

O-RING

4

01010-80830

BOLT

5

01643-50823

WASHER

6

07097-00610

HOSE

7

07097-00611

HOSE

8

07000-13025

O-RING

9

07371-30638

FLANGE,SPLIT

10

01010-80830

BOLT

11

01643-50823

WASHER

12

209-62-12730

PLATE

13

07000-13035

O-RING

14

01252-31020

BOLT

15

205-970-7560

PLATE

16

07283-22738

CLIP

17

01599-01011

NUT

18

01643-31032

WASHER

19

205-970-7550

PLATE

20

07283-22738

CLIP

21

01599-01011

NUT

22

01643-31032

WASHER

23

07097-00614

HOSE

24

07000-13025

O-RING

25

07371-30638

FLANGE

26

01010-80830

BOLT

27

01643-50823

WASHER

28

209-62-12730

PLATE

29

07000-13035

O-RING

30

01252-71020

BOLT

31

709-79-12700

MAIN VALVE ASS'Y

Выбрано товаров: 31