Запчасти Komatsu PW210-1 QUTRIGGER СИСТЕМА ТРУБ ЦИЛИНДРА(№9-) ГИДРАВЛИКА

Схема запчастей Komatsu PW210-1 - QUTRIGGER СИСТЕМА ТРУБ ЦИЛИНДРА(№9-) ГИДРАВЛИКА
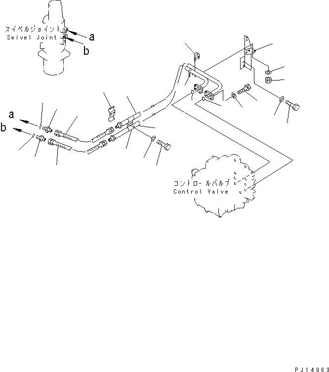
1
2
3
3
4
5
6
7
8
9
9
10
11
12
12
13
14
15
15
16
16
17
17
FIT
1:1
100%

Артикул

Название

Примечание

Количество

1

20K-62-15232

TUBE

2

20K-62-15242

TUBE

3

21T-09-11450

O-RING

4

01010-80830

BOLT

4

01010-50830

BOLT

5

01643-50823

WASHER

6

205-62-71514

BRACKET

7

01010-81230

BOLT

7

01010-51230

BOLT

8

01643-31232

WASHER

9

07283-22746

CLIP

10

01599-01011

NUT

11

01643-31032

WASHER

12

205-62-71470

CLAMP

13

205-09-71110

BOLT

14

01643-31032

WASHER

15

07096-00404

HOSE

16

07230-10422

UNION

17

07002-12034

O-RING

Выбрано товаров: 19