Качественные детали и логистика
Оригинальные и аналоговые запчасти с доставкой по России, Казахстану и Беларуси
©2022 PartSell ООО "Система" ИНН 2463123282 ОГРН 1212400004838
Центральный офис: г. Красноярск, Академика Киренского, д.87, пом.4
Телефон: 8 (800) 777-65-74 Email: zakaz@partsell.ru
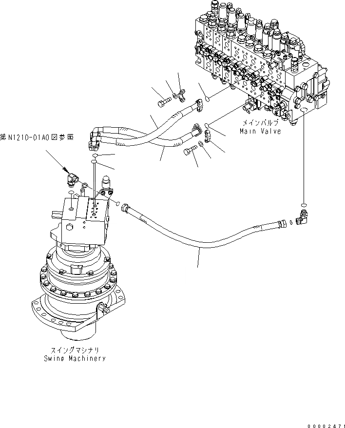
ЛИНИЯ ПОВОРОТА
№
Артикул
Название
Примечание
Количество
1
07073-006A6
HOSE
2
07000-13025
O-RING
3
07371-30640
FLANGE
4
07372-21035
BOLT
5
01643-51032
WASHER
6
20K-62-37791
7
8
9
10
11
02762-00610
Выбрано товаров: 0