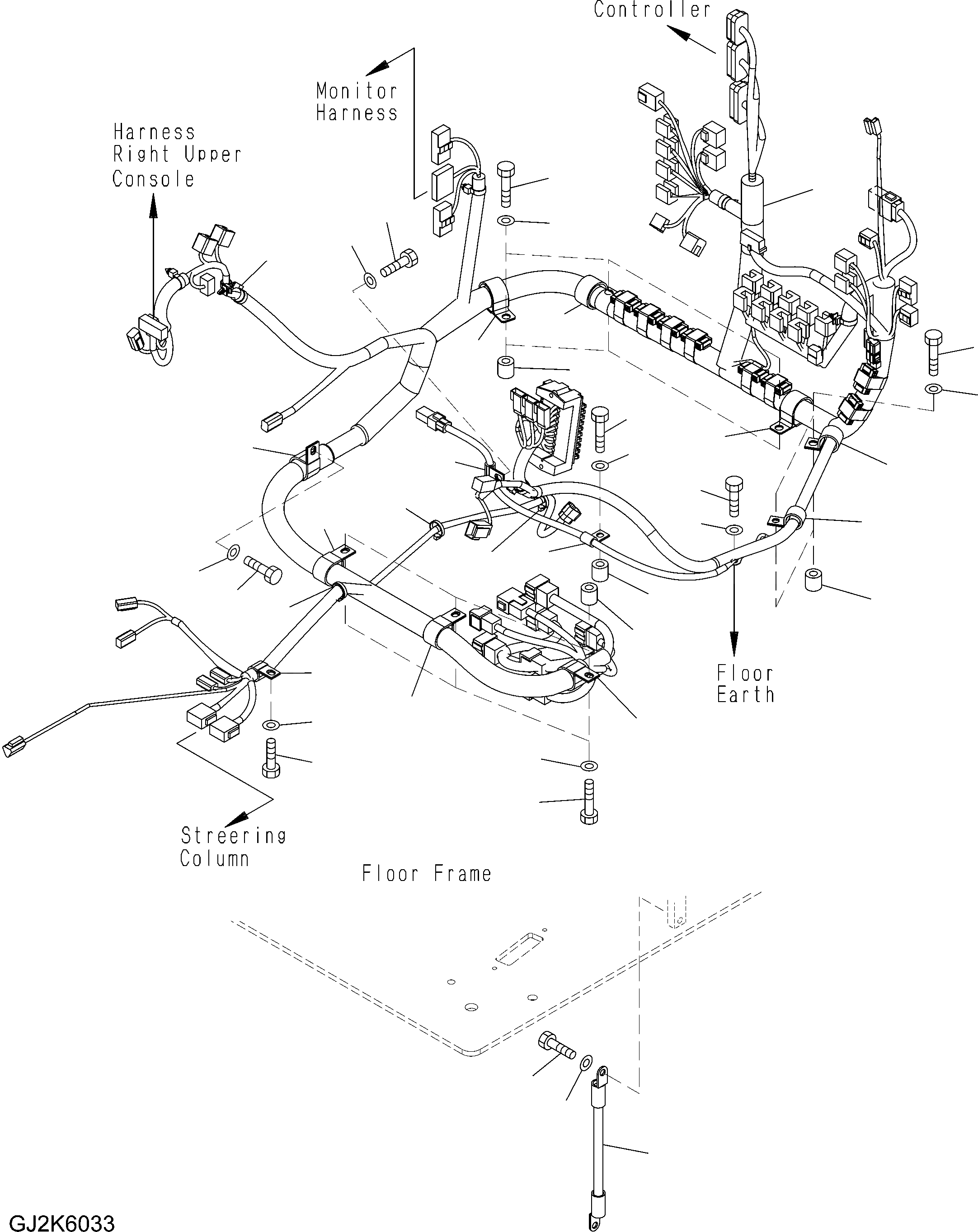
Запчасти Komatsu PW220-7E0 ПОЛ (ОСНОВН. КОНСТРУКЦИЯ Э/ПРОВОДКА) K OPERATORґS ОБСТАНОВКА И СИСТЕМА УПРАВЛЕНИЯ

Схема запчастей Komatsu PW220-7E0 - ПОЛ (ОСНОВН. КОНСТРУКЦИЯ Э/ПРОВОДКА) K OPERATORґS ОБСТАНОВКА И СИСТЕМА УПРАВЛЕНИЯ
29
20
1
22
21
23
30
17
9
17
19
10
20
17
13
21
18
7
11
16
2
12
6
31
16
15
19
8
14
16
3
27
2
2
5
28
4
25
26
24
FIT
1:1
100%

Артикул

Название

Примечание

Количество

1

20E-06-31112

WIRING HARNESS

|$33

20K-06-32230

CONNECTOR FUSE BOX

|$34

283-06-16160

PIN

2

04434-53411

CLIP

3

195-33-11220

SPACER

4

01010-81040

BOLT

5

01643-31032

WASHER

6

04434-53411

CLIP

7

208-06-19170

CLIP

8

195-33-11220

SPACER

9

01010-81040

BOLT

10

01643-31032

WASHER

11

01010-81016

BOLT

12

01643-31032

WASHER

13

04434-53411

CLIP

14

01010-81020

BOLT

15

01643-31032

WASHER

16

08034-20519

BAND

17

419-09-11150

CLIP

18

04434-51010

CLIP

19

195-33-11220

SPACER

20

01010-81040

BOLT

21

01643-31032

WASHER

22

01010-81016

BOLT

23

01643-31032

WASHER

24

08028-43030

CABLE, EARTH

25

01010-81020

BOLT

26

01643-31032

WASHER

27

04434-51910

CLIP

28

01010-81016

BOLT

29

01643-31032

WASHER

30

08059-00413

CLIP

31

04434-52511

CLIP

Выбрано товаров: 33