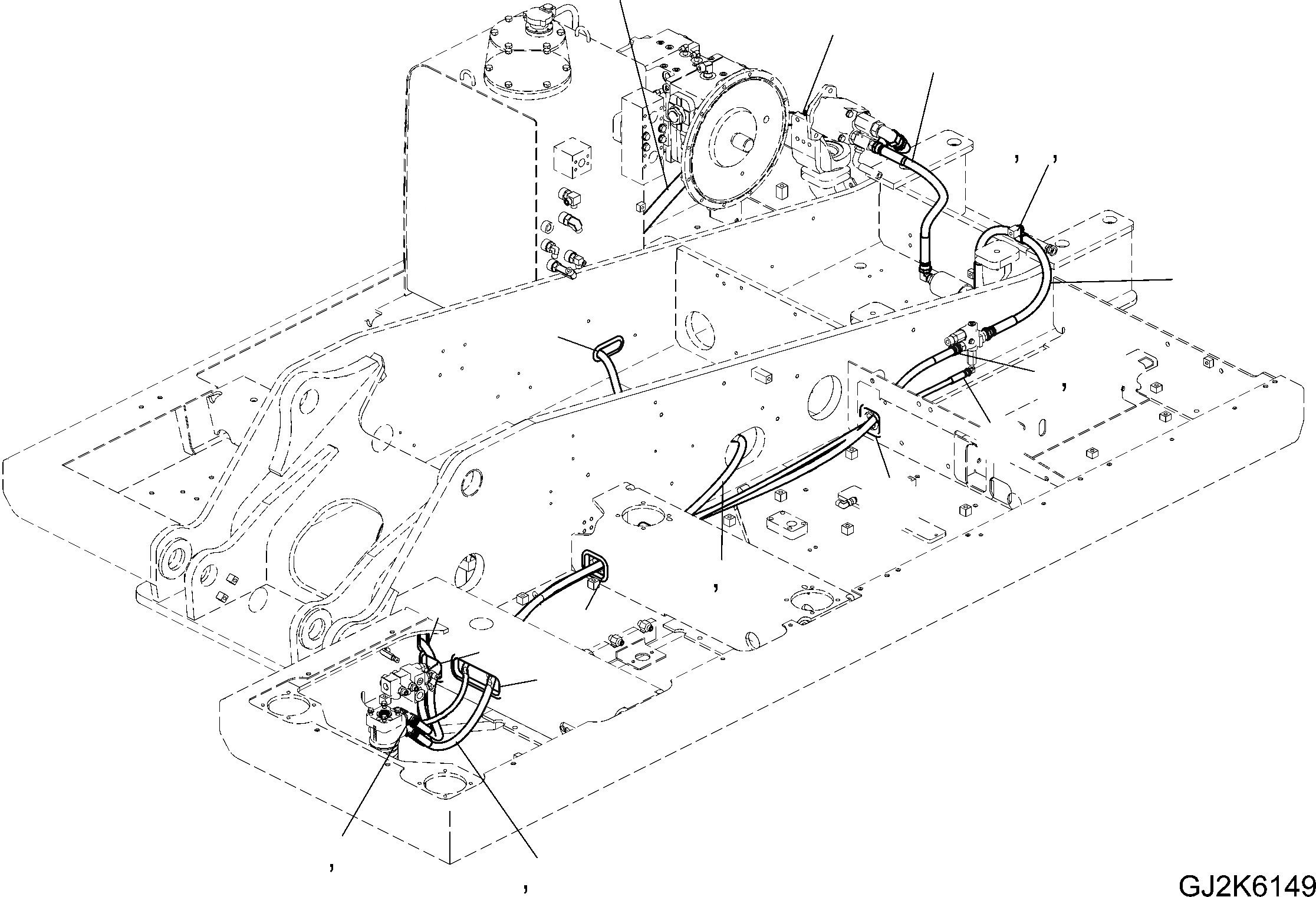
Запчасти Komatsu PW220-7E0 ВЕРХН. РУЛЕВ. УПРАВЛЕНИЕ ЛИНИЯ (ШЛАНГИ) K OPERATORґS ОБСТАНОВКА И СИСТЕМА УПРАВЛЕНИЯ

Схема запчастей Komatsu PW220-7E0 - ВЕРХН. РУЛЕВ. УПРАВЛЕНИЕ ЛИНИЯ (ШЛАНГИ) K OPERATORґS ОБСТАНОВКА И СИСТЕМА УПРАВЛЕНИЯ
13
2
11
3
4
12
10
21
9
14
6
18
1
5
19
17
17
20
15
7
8
16
FIT
1:1
100%

Артикул

Название

Примечание

Количество

1

203-62-58210

MARK, T1

2

208-06-19170

CLIP

3

01010-81220

BOLT

4

01643-31232

WASHER

5

02760-00431

HOSE

6

02765-00231

HOSE

7

02765-00417

HOSE

8

02765-00420

HOSE

9

02765-00431

HOSE

10

02765-00508

HOSE

11

02765-005A6

HOSE

12

04434-52512

CLIP

13

07185-01016

HOSE

14

20E-62-K7380

MARK, P2

15

20G-62-K4540

MARK, L

16

20G-62-K4550

MARK, R

17

20E-62-K7930

GROMMET

18

20J-46-11460

GROMMET

19

20K-46-31160

GROMMET

20

20K-62-35470

GROMMET

21

20K-62-35540

GROMMET

Выбрано товаров: 21