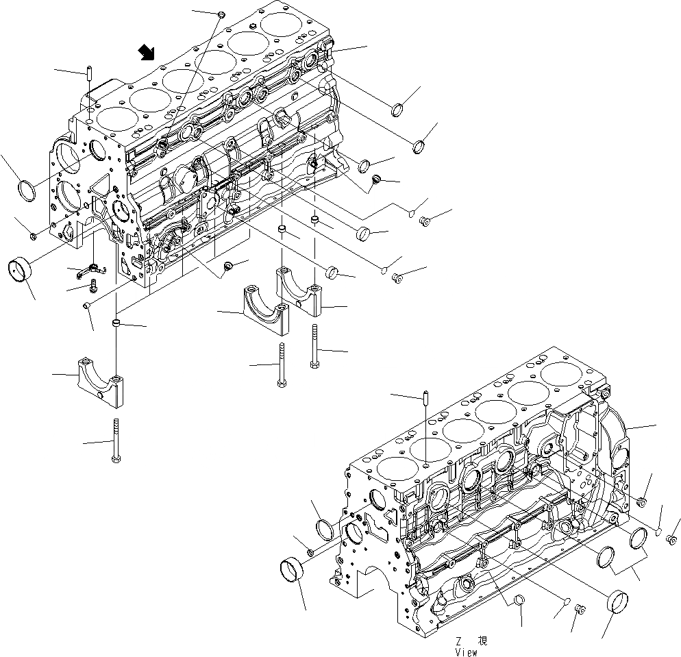
Запчасти Komatsu PW220-7E0 БЛОК ЦИЛИНДРОВ AA ДВИГАТЕЛЬ

Схема запчастей Komatsu PW220-7E0 - БЛОК ЦИЛИНДРОВ AA ДВИГАТЕЛЬ
12
1
10
6
15
14
13
2
3
7
7
5
10
9
8
11
25
21
26
8
2
23
19
18
3
22
7
12
21
4
1
10
6
20
17
16
27
1
16
17
24
9
Z
Z
FIT
1:1
100%

Артикул

Название

Примечание

Количество

|$1

6754-21-1310

BLOCK,CYLINDER

|$2

BLOCK ASSEMBLY

|$3

BLOCK ASSEMBLY

1

6732-21-1831

PLUG,EXPANSION

|$5

6754-21-1220

CAP,MAIN BEARING

2

RING

3

CAP,MAIN BEARING

|$8

6754-21-1240

CAP,MAIN BEARING

4

RING

5

CAP,MAIN BEARING

6

6732-21-1411

BUSHING

7

6732-21-1611

BOLT

8

6742-01-1420

PLUG

9

BLOCK

10

6732-21-1812

PLUG

11

6732-21-1820

PLUG

|$17

6754-21-1320

KIT,CYLINDER BLOCK

12

6732-21-6140

RING

13

6754-21-1190

NOZZLE,PISTON COOLING

14

6754-21-1180

SCREW,BANJO CONNECTOR

15

6754-21-6220

DOWEL,RING

|$22

6560-81-7110

PLUG,THREADED

16

6560-81-7120

PLUG,THREADED

17

6560-81-7130

SEAL,O RING

|$25

6732-21-1960

PLUG ASSEMBLY

18

6215-81-9510

PLUG

19

6215-81-9710

O-RING

20

6735-21-5530

PLUG

21

6732-21-5530

PLUG

22

6732-21-6160

PLUG

23

6742-01-1420

PLUG

24

6732-11-1920

PLUG

|$33

6216-24-5130

PLUG,THREADED

25

PLUG,THREADED

26

6735-21-1930

O-RING

27

6732-21-1831

PLUG,EXPANSION

Выбрано товаров: 0