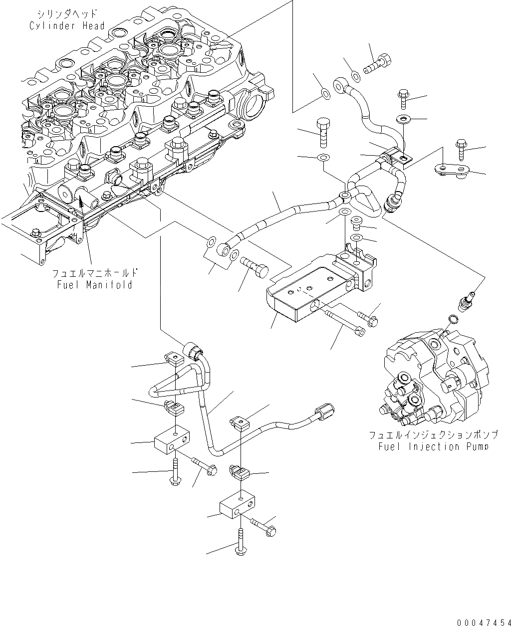
Запчасти Komatsu PW220-7E0 ТОПЛИВОПРОВОД. AA ДВИГАТЕЛЬ

Схема запчастей Komatsu PW220-7E0 - ТОПЛИВОПРОВОД. AA ДВИГАТЕЛЬ
4
7
8
7
5
6
14
15
11
10
12
13
7
9
7
2
3
1
8
7
18
19
17
20
21
17
20
21
19
18
16
FIT
1:1
100%

Артикул

Название

Примечание

Количество

1

6754-71-5410

CONNECTION,FUEL BLOCK

2

6732-61-6140

SCREW,HEX FLANGE HEAD CAP

3

6736-81-8730

SCREW,HEX FLANGE HEAD CAP

4

6754-71-5420

TUBE,FUEL DRAIN

5

6735-71-3821

SEAL

6

6754-71-5430

VALVE,CHECK

7

07005-01212

GASKET

8

6732-71-6510

BOLT

9

6754-71-5150

PLUG,THREADED

10

6754-71-5450

BRACKET

11

6732-21-6630

BOLT

12

04434-51708

CLIP

13

07095-20211

CUSHION

14

6732-21-3120

BOLT

15

154-61-16570

WASHER

|$16

6754-71-5120

TUBE,FUEL SUPPLY

16

6754-71-5130

TUBE

17

6754-71-5140

PLATE

18

6217-71-6670

CLAMP

19

6217-71-6660

CLAMP

20

6733-71-5830

BOLT

21

6732-61-3110

BOLT

Выбрано товаров: 22