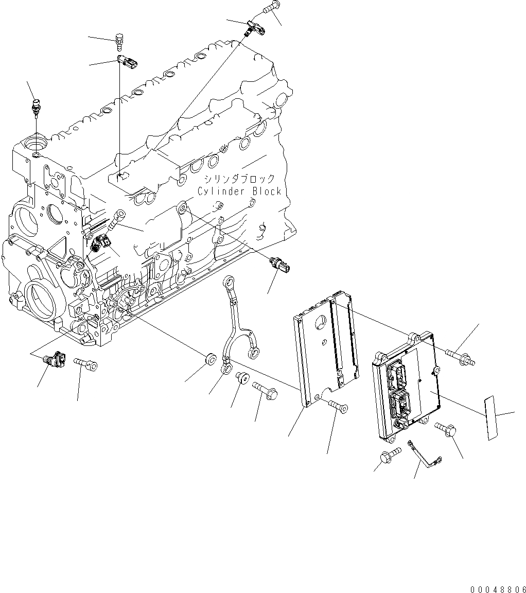
Запчасти Komatsu PW220-7E0 ТОПЛИВН. ВПРЫСК КОНТРОЛЛЕР КОМПОНЕНТЫ AA ДВИГАТЕЛЬ

Схема запчастей Komatsu PW220-7E0 - ТОПЛИВН. ВПРЫСК КОНТРОЛЛЕР КОМПОНЕНТЫ AA ДВИГАТЕЛЬ
19
16
15
17
18
14
7
9
8
10
11
6
4
5
3
2
1
13
12
13
12
FIT
1:1
100%

Артикул

Название

Примечание

Количество

1

6754-81-9110

ISOLATOR,VIBRATION

2

6754-81-9120

BRACKET,ETR CNT MODULE

3

6754-81-9130

ISOLATOR,VIBRATION

4

6735-61-2120

SCREW,HEX FLANGE HEAD CAP

5

6754-81-9140

SUPPORT,ETR CNT MODULE

6

6754-81-9150

BOLT

7

6754-81-9160

SCREW,HEX FLANGE HEAD CAP

8

6732-61-3110

BOLT

9

600-460-3000

PLATE

10

6754-81-9170

WIRE,GROUND

11

6216-74-6180

SCREW,HEX FLANGE HEAD CAP

12

6754-81-9200

SENSOR,POSITION

|$13

6261-81-2920

O-RING

13

6216-84-9220

SCREW,SOCKET HEAD CAD

14

6744-81-4010

SWITCH,PRESSURE

|$16

6219-81-1990

O-RING,SEAL

15

6261-81-1900

SENSOR,PRESSURE

16

6734-71-5520

BOLT

17

6754-81-2700

SENSOR,PRS TEMPERATURE

|$20

6754-81-2710

O-RING

18

6754-81-9180

SCREW,SOCKET HEAD CAP

19

6261-81-6900

SENSOR,TEMPERATURE

|$23

6216-84-9740

SEAL

Выбрано товаров: 23